Click on this button to call us
Click on this button to search

British/Scottish Gas RD2 4100 / 4125

Make

RD2

Model

RD2

Type

4100/4125

UIN: G26.0

G26/A - Casing
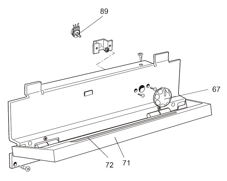
G26/A - Casing
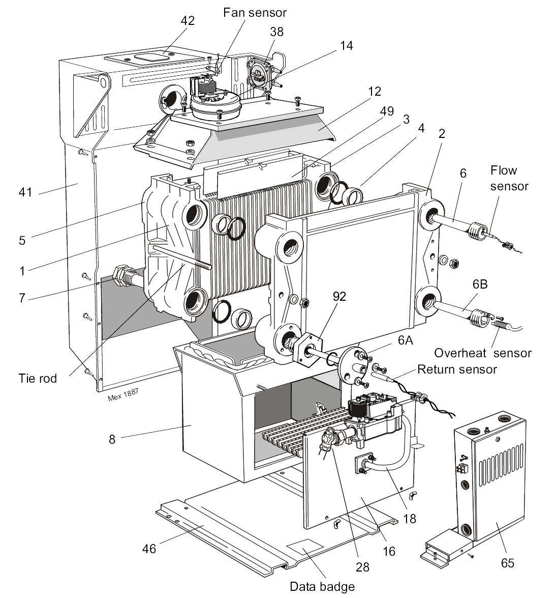
G26/B - Boiler Exploded
G26/B - Boiler Exploded
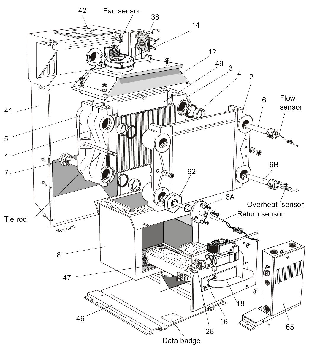
G26/C - Boiler Expolded 100 125
G26/C - Boiler Expolded 100 125
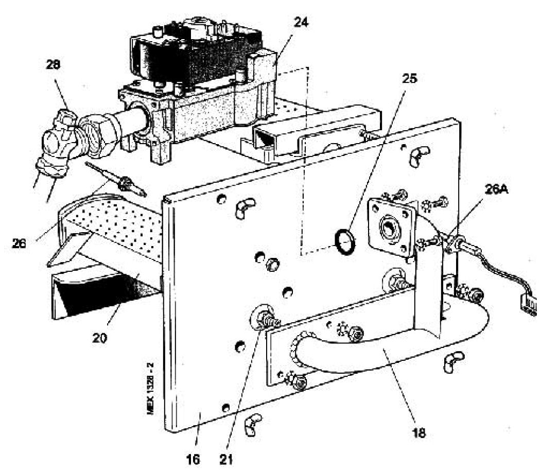
G26/D - Burner Controls Aeromatic
G26/D - Burner Controls Aeromatic
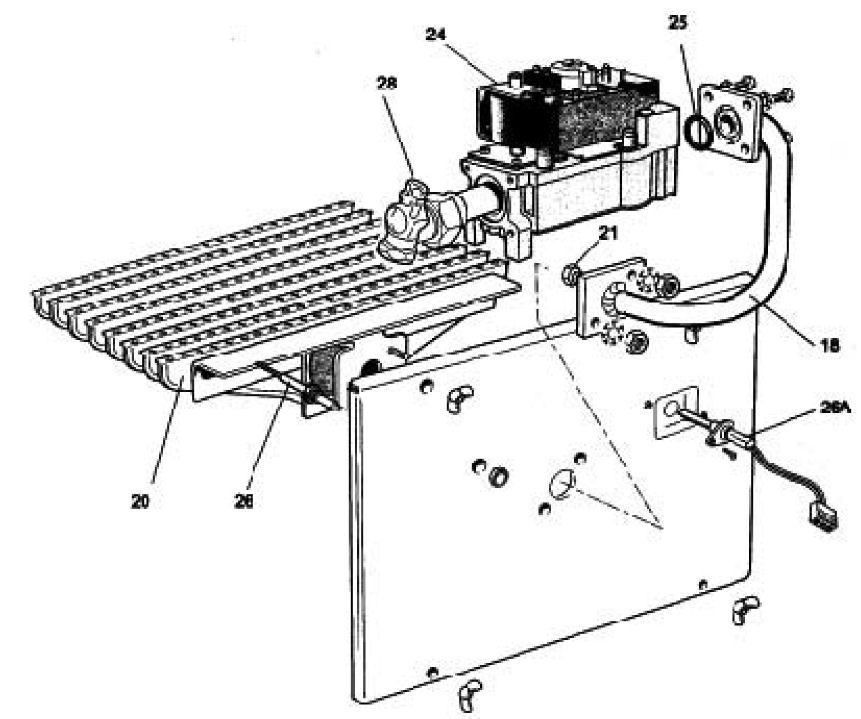
G26/E - Burner Controls Furigas
G26/E - Burner Controls Furigas
G26/F - Controls
G26/F - Controls
G26/G - PCB Controls
G26/G - PCB Controls
G26/H - Short List
G26/H - Short List
KeyUINNameModel
Loading...