Click on this button to call us
Click on this button to search

Mexico Super FF40-80,100,125

Make

MEXICO

Model

MEXICO SUPER FF

Type

FF40-125

UIN: G23.1

G23/A - Casing
G23/A - Casing
G23/B - Boiler Exploded 40 80
G23/B - Boiler Exploded 40 80
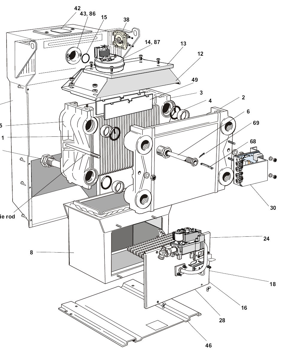
G23/C - Boiler Exploded 100 125
G23/C - Boiler Exploded 100 125
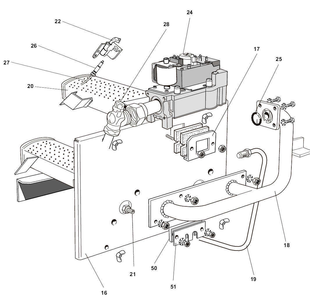
G23/D - Burner Controls 40 80
G23/D - Burner Controls 40 80
G23/E - Burner Controls 100 125
G23/E - Burner Controls 100 125
G23/F - Controls
G23/F - Controls
G23/G - PCB Controls
G23/G - PCB Controls
G23/H - Short List 40 80
G23/H - Short List 40 80
G23/I - Short List 100 125
G23/I - Short List 100 125
KeyUINNameModel
Loading...