Click on this button to call us
Click on this button to search

Mexico Super 3 CF60,75,100,125,140 Prop

Make

MEXICO

Model

MEXICO SUPER 2 CF

Type

CF60-140P

UIN: G20.1

G20/A - Casing
G20/A - Casing
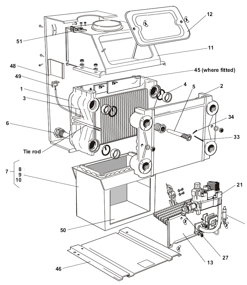
G20/B - Boiler Exploded 40 80
G20/B - Boiler Exploded 40 80
G20/C - Boiler Exploded 100 140
G20/C - Boiler Exploded 100 140
G20/D - Burner Controls 60 100p
G20/D - Burner Controls 60 100p
G20/E - Burner Controls 70 80
G20/E - Burner Controls 70 80
G20/F - Burner Controls 100 140p
G20/F - Burner Controls 100 140p
G20/G - Controls
G20/G - Controls
G20/H - Short List 40 80
G20/H - Short List 40 80
G20/I - Short List 100 140
G20/I - Short List 100 140
KeyUINNameModel
Loading...