Click on this button to call us
Click on this button to search

Concord 450-1450 Series 3 (Gas)

Make

CONCORD

Model

450-1450 Series 3

UIN: F23.0

F23/A - Casing
F23/A - Casing
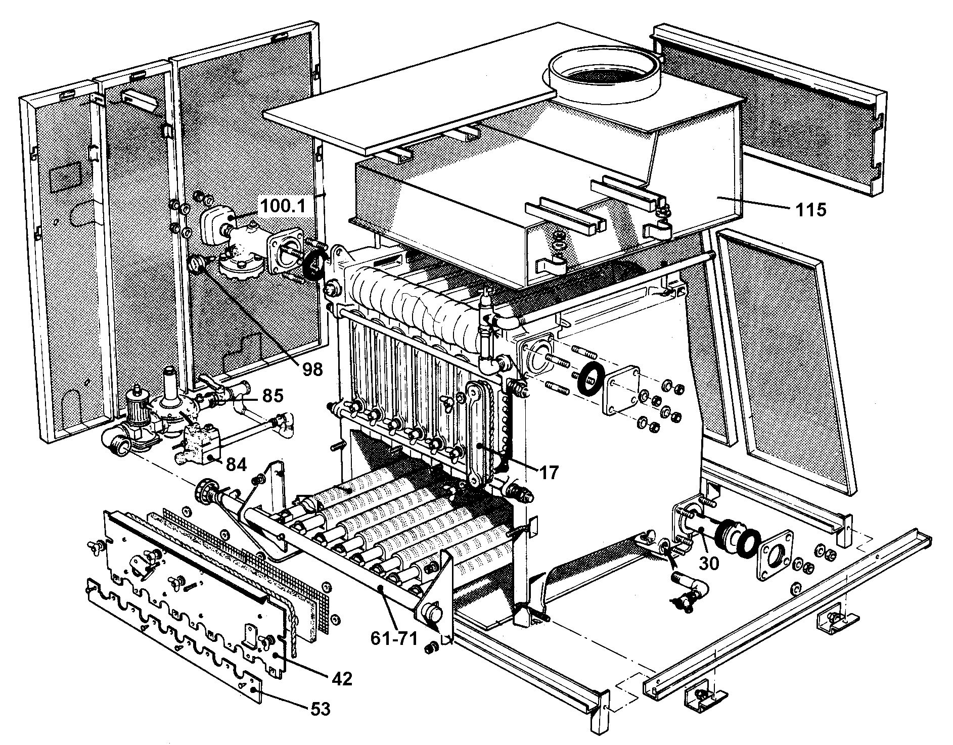
F23/B - Boiler Expanded
F23/B - Boiler Expanded
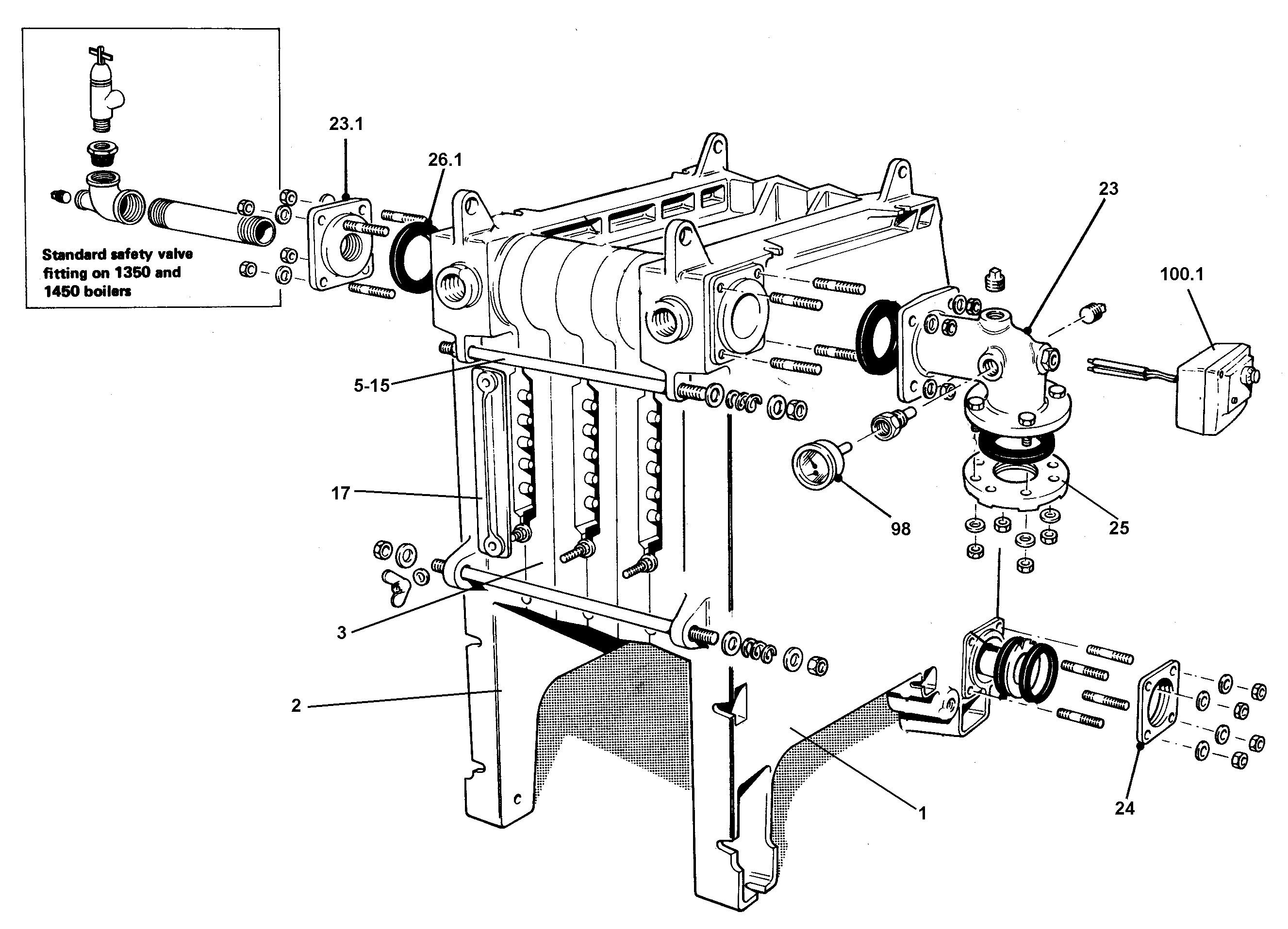
F23/C - Sections
F23/C - Sections
F23/D - Burner & Controls
F23/D - Burner & Controls
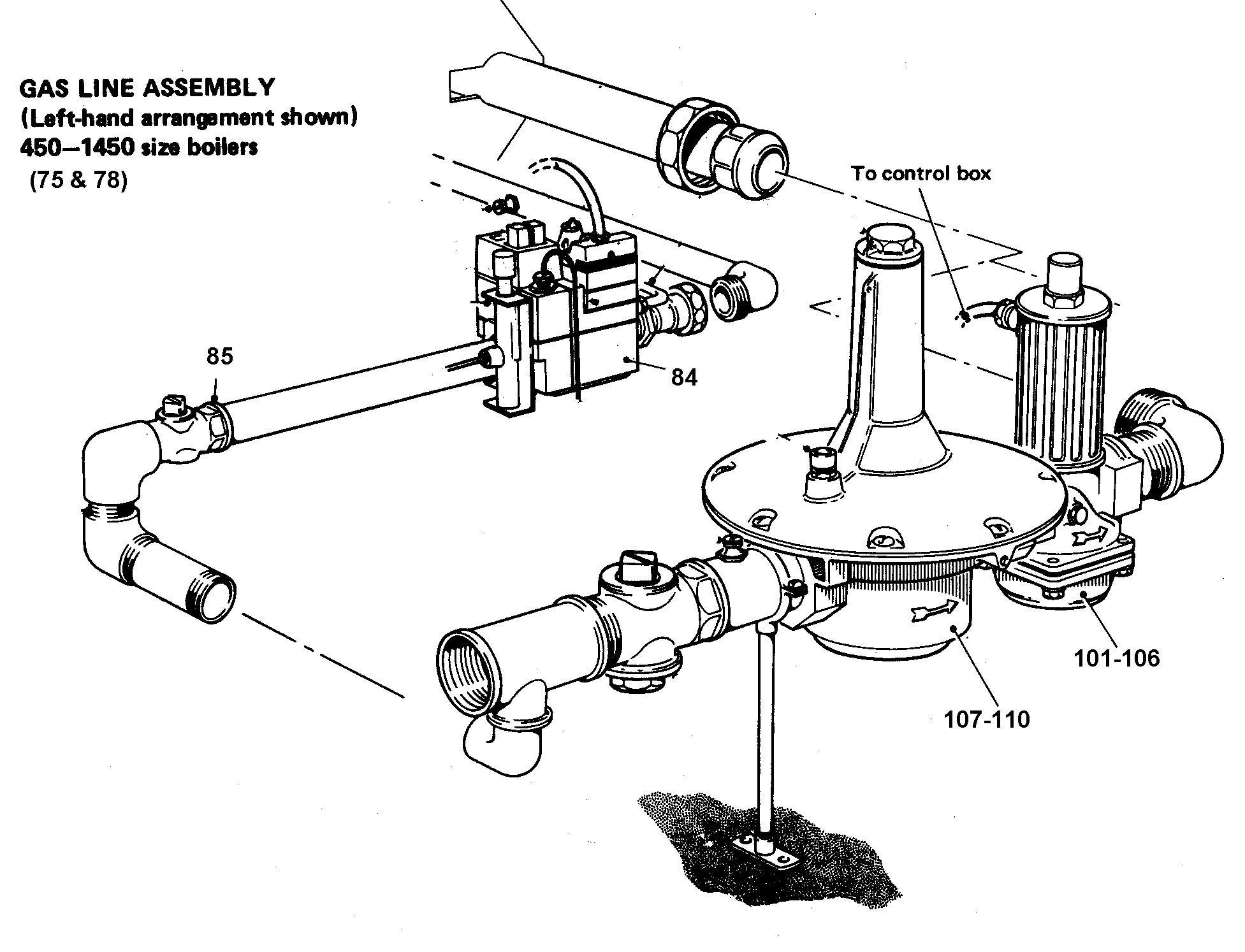
F23/E - Gas Line
F23/E - Gas Line
KeyUINNameModel
Loading...