Click on this button to call us
Click on this button to search

Turbo 2-24

Make

TURBO

Model

TURBO 2

Type

24

UIN: A45.0

A45/A - Boiler
A45/A - Boiler
A45/B - Casing
A45/B - Casing
A45/C - Boiler Expanded
A45/C - Boiler Expanded
A45/D - Burner Assembly
A45/D - Burner Assembly
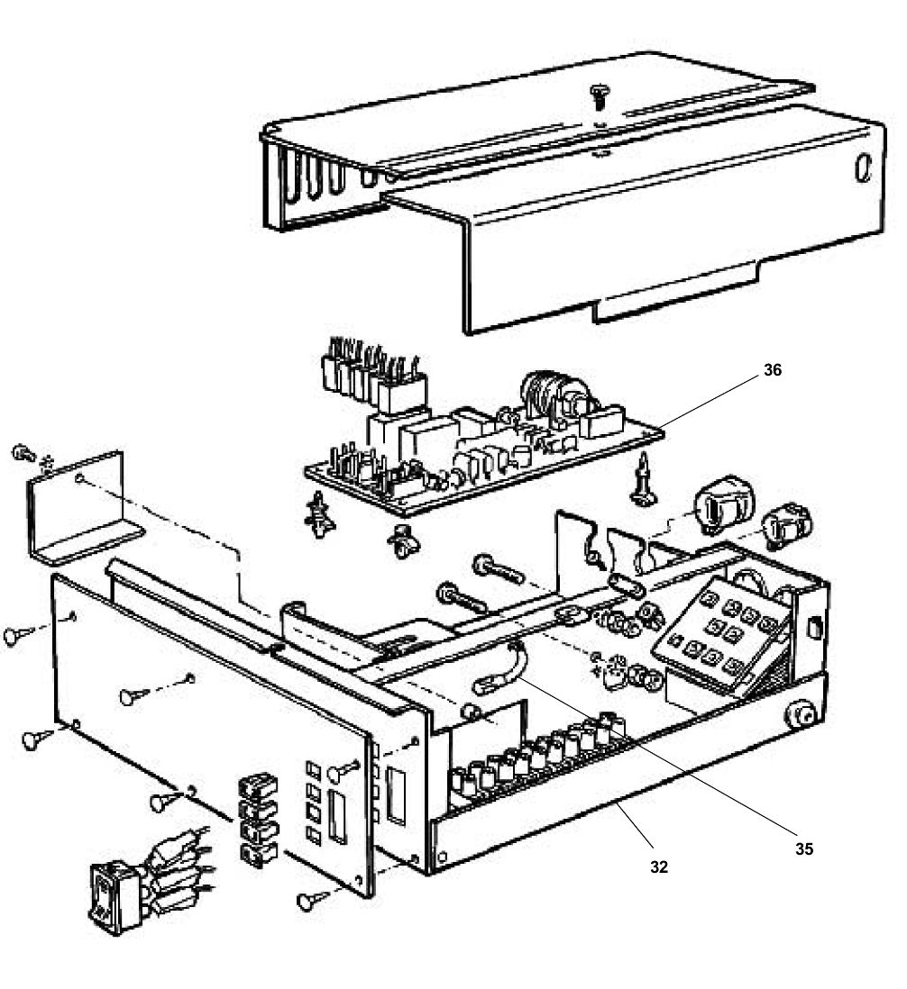
A45/E - Controls
A45/E - Controls
A45/F - Gas Line Assembly
A45/F - Gas Line Assembly
A45/G - Short List
A45/G - Short List
KeyUINNameModel
Loading...