Click on this button to call us
Click on this button to search

Sprint Rapide 90NFP

Make

SPRINT

Model

SPRINT RAPIDE NF

Type

90NFP

UIN: A38.1

A38/A - Casing
A38/A - Casing
A38/B - Boiler Expanded
A38/B - Boiler Expanded
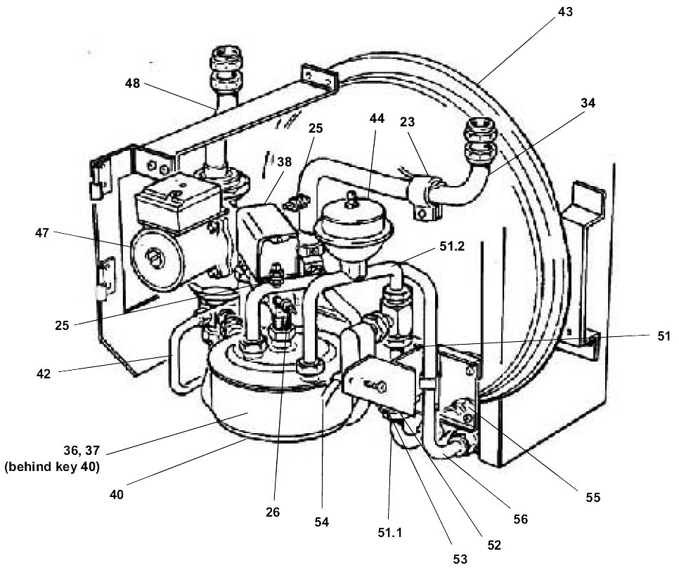
A38/C - Burner And Gas Controls
A38/C - Burner And Gas Controls
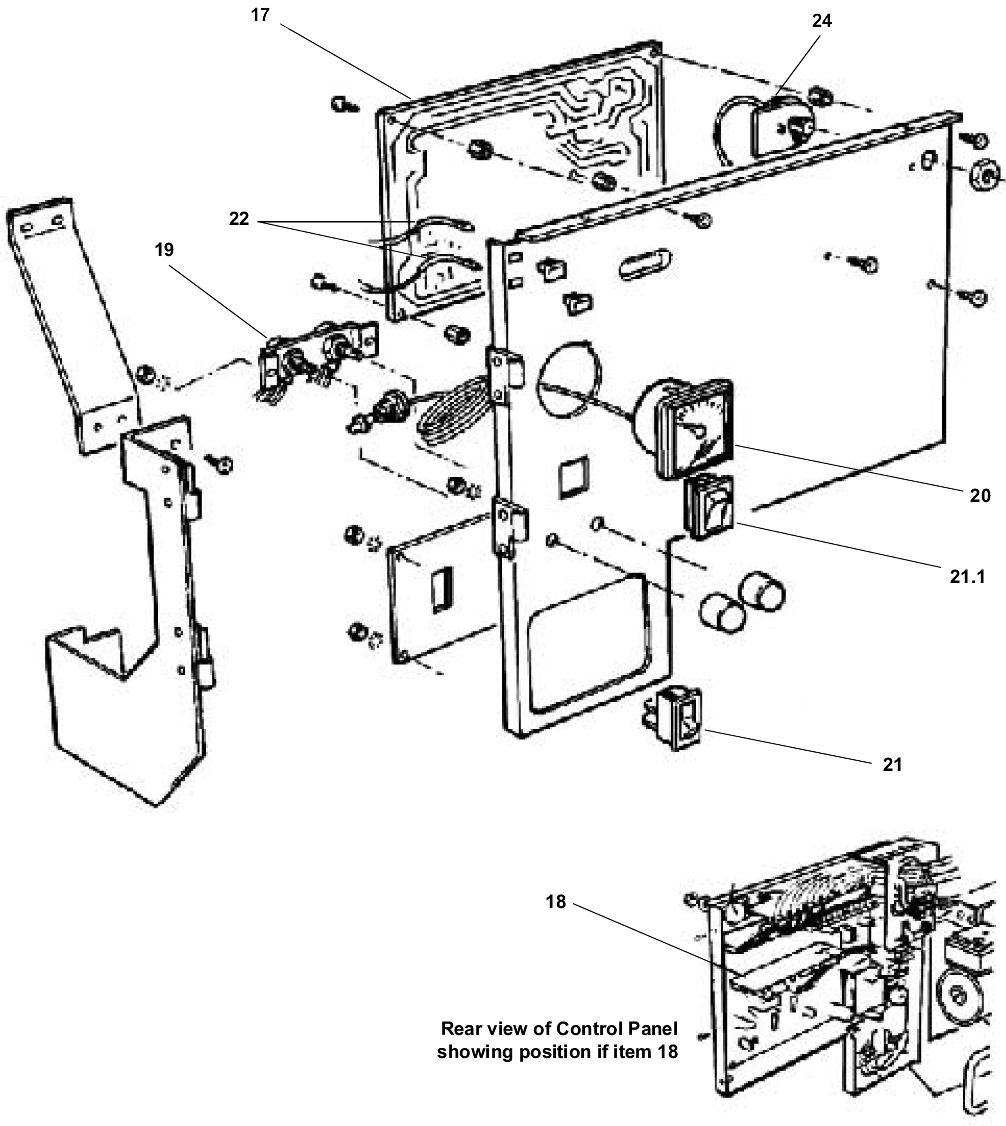
A38/D - Controls
A38/D - Controls
A38/E - Pipework
A38/E - Pipework
A38/F - Short List
A38/F - Short List
KeyUINNameModel
Loading...