Click on this button to call us
Click on this button to search

Compact 40F / 60F

Make

COMPACT

Model

COMPACT

Type

40-60F

UIN: A36.0

A36/A - Casing
A36/A - Casing
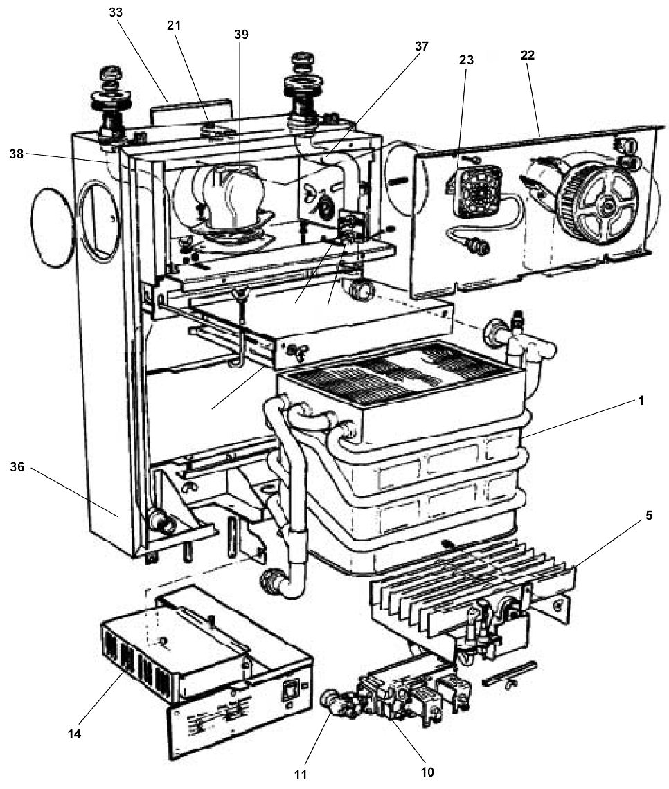
A36/B - Boiler Expanded View
A36/B - Boiler Expanded View
A36/C - Burner and Gas Controls
A36/C - Burner and Gas Controls
A36/D - Control Box
A36/D - Control Box
A36/E - Short Parts List
A36/E - Short Parts List
KeyUINNameModel
Loading...