Click on this button to call us
Click on this button to search

W2000 RS30-60

Make

W2000

Model

W2000 RS

Type

RS30-60

UIN: A30.0

A30/A - Casing
A30/A - Casing
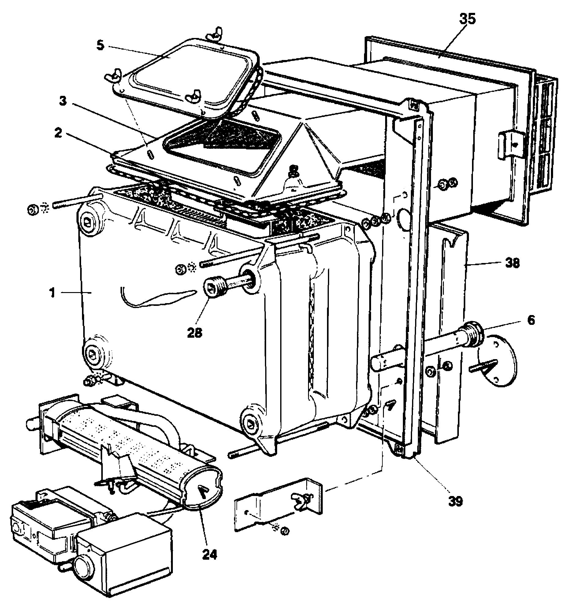
A30/B - Boiler Expanded
A30/B - Boiler Expanded
A30/C - Burner & Controls
A30/C - Burner & Controls
A30/D - Short List
A30/D - Short List
KeyUINNameModel
Loading...