Click on this button to call us
Click on this button to search

Excel 30F-60F

Make

EXCEL

Model

EXCEL F

Type

30-60F

UIN: A23.0

A23/A - Casing
A23/A - Casing
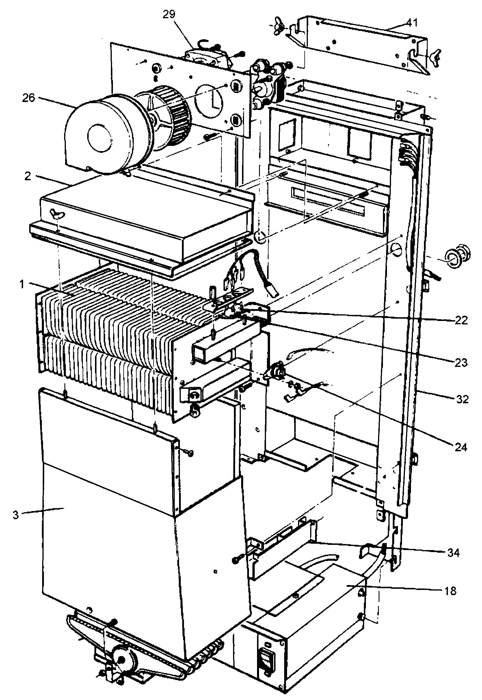
A23/B - Boiler Expanded
A23/B - Boiler Expanded
A23/C - Burner and Controls 50F & 60F
A23/C - Burner and Controls 50F & 60F
A23/D - Burner and Controls 30F & 40F
A23/D - Burner and Controls 30F & 40F
A23/E - Controls
A23/E - Controls
KeyUINNameModel
Loading...