Click on this button to call us
Click on this button to search

Elan CF 40,50,60 Propane

Make

ELAN

Model

ELAN CF

Type

40-60P

UIN: A18.0

A18/A - Casing
A18/A - Casing
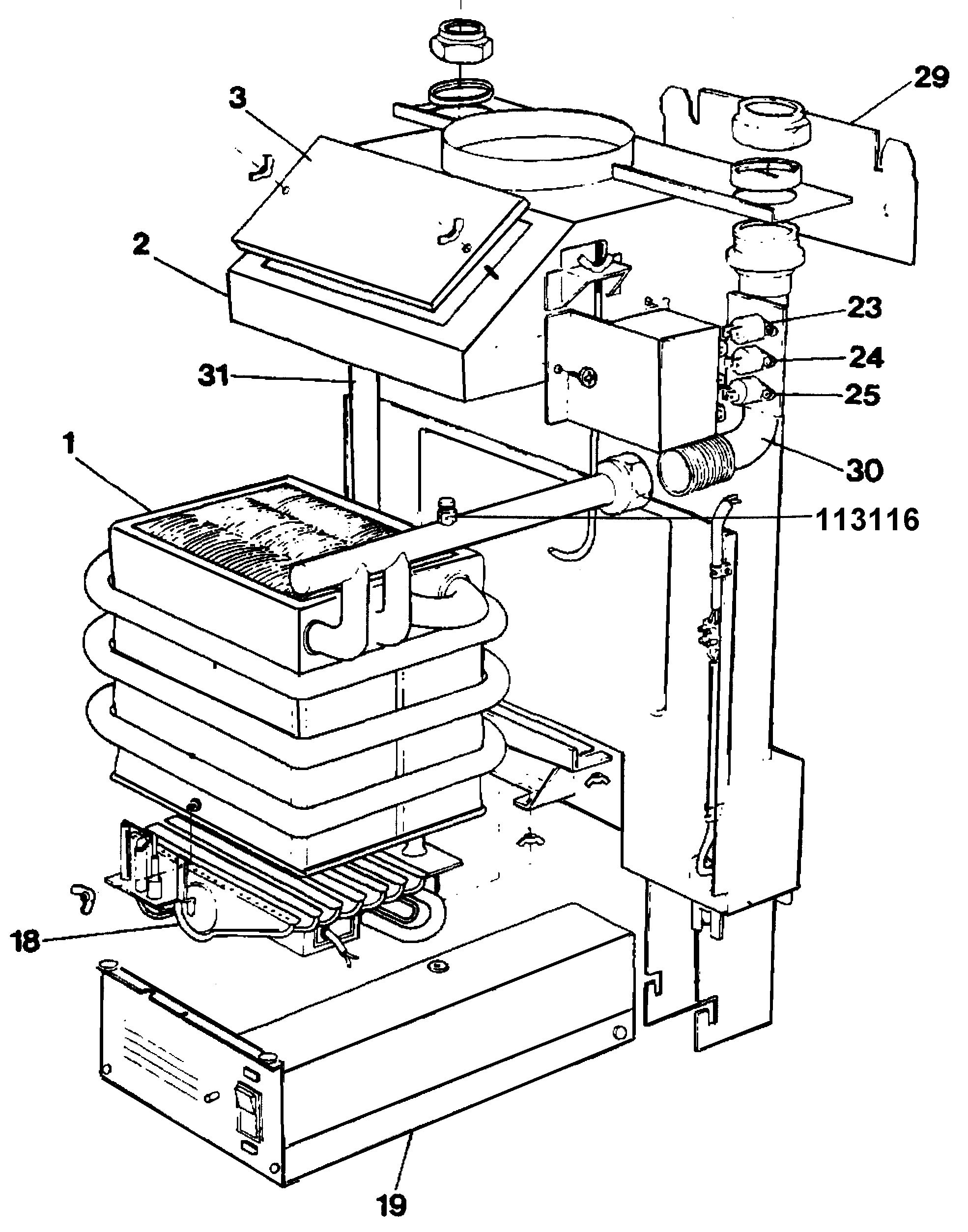
A18/B - Boiler Expanded
A18/B - Boiler Expanded
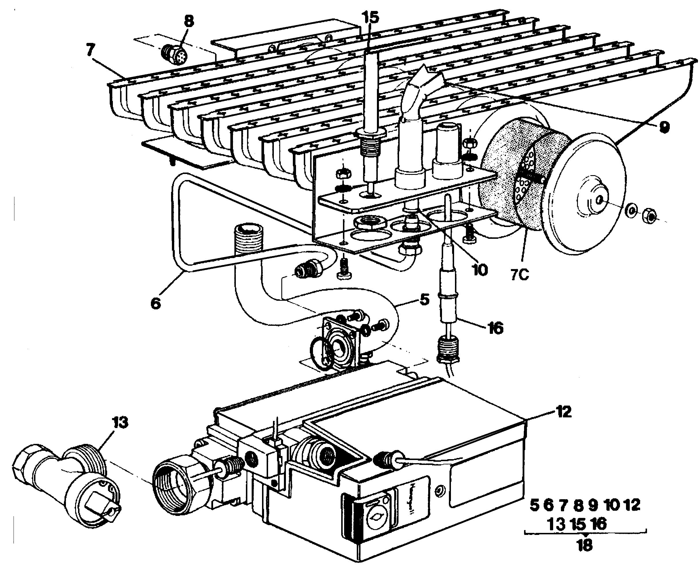
A18/C - Burner and Controls 30,40 & 40P
A18/C - Burner and Controls 30,40 & 40P
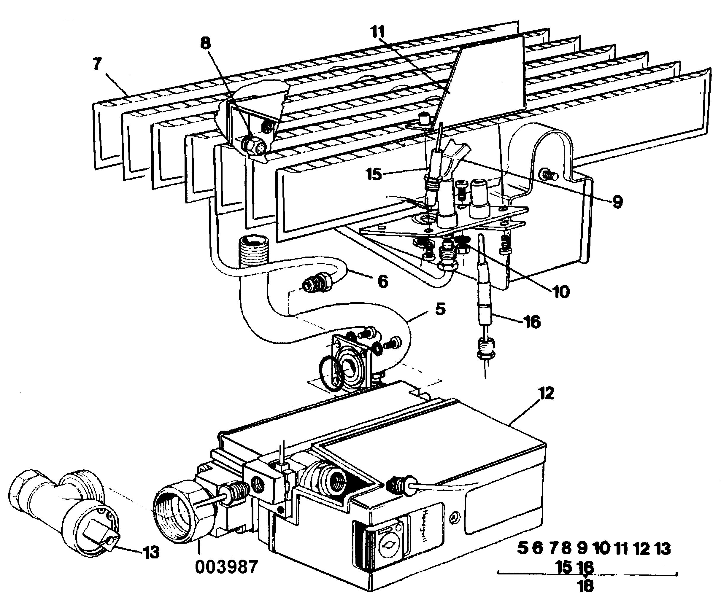
A18/D - Burner And Controls 55,50P, 60 & 60P
A18/D - Burner And Controls 55,50P, 60 & 60P
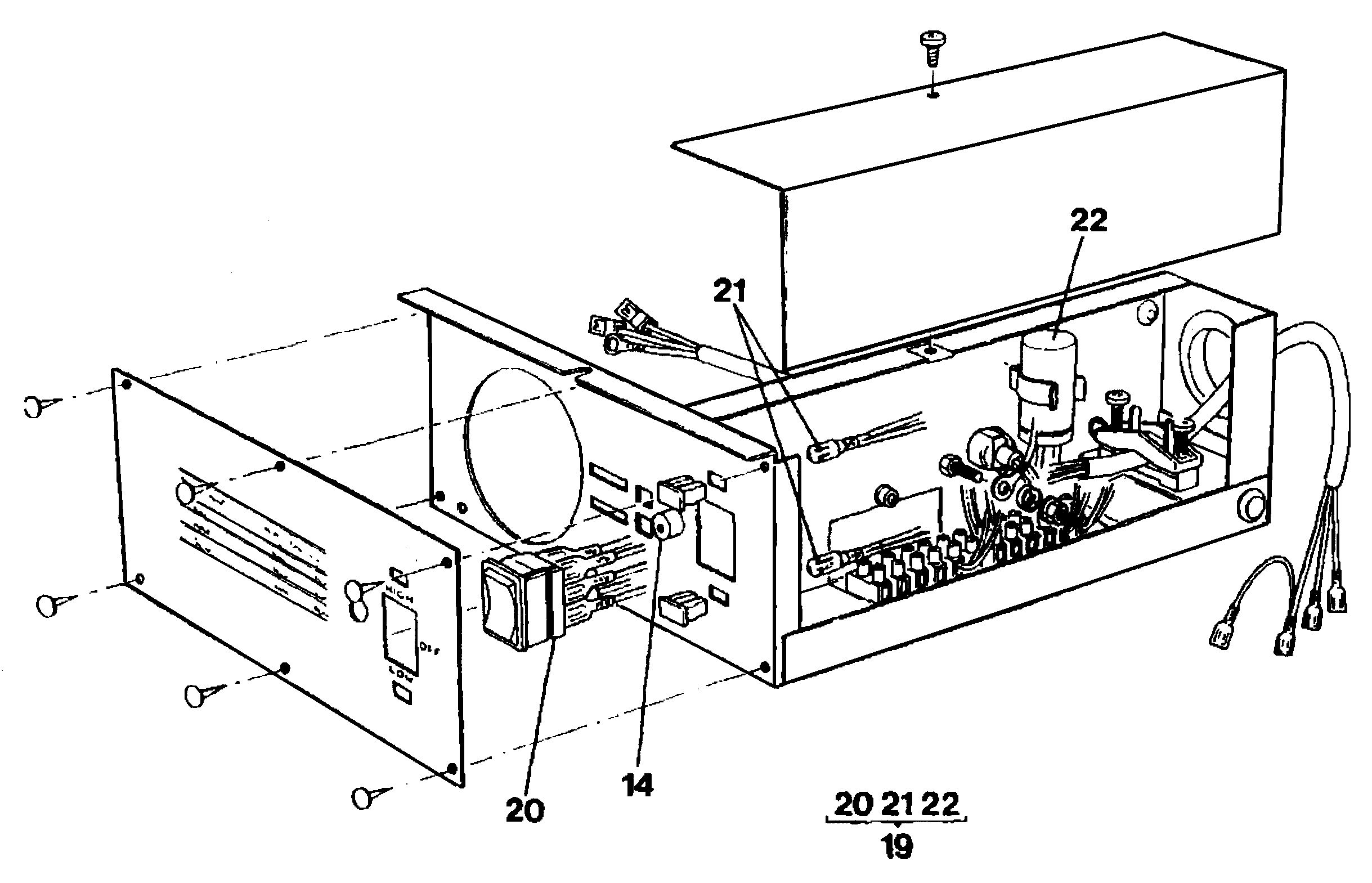
A18/E - Controls Box
A18/E - Controls Box
A18/F - Programmer
A18/F - Programmer
KeyUINNameModel
Loading...