Click on this button to call us
Click on this button to search

CONCORD SUPER 150 V ALT

Make

CONCORD

Model

CONCORD SUPER 1

Type

V 150

UIN: 5939

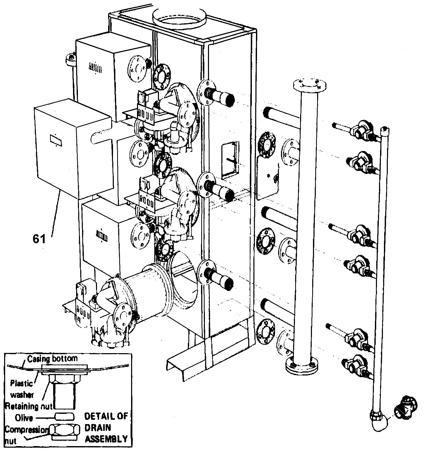
E7/A - Boiler
E7/A - Boiler
E7/B - Boiler Expanded - Module
E7/B - Boiler Expanded - Module
E7/C - Fan & Controls
E7/C - Fan & Controls
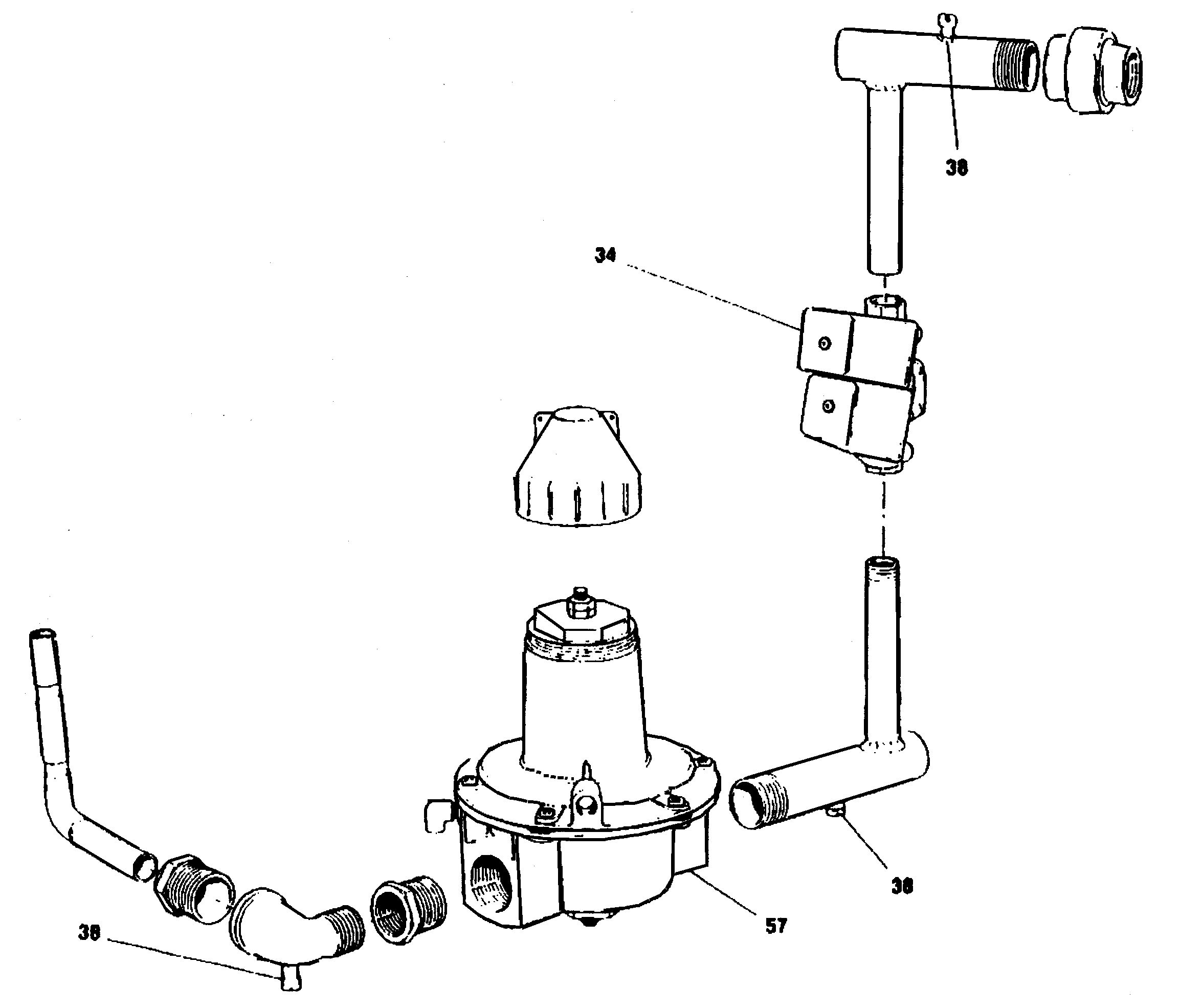
E7/D - Gas Line
E7/D - Gas Line
KeyUINNameModel
Loading...