Click on this button to call us
Click on this button to search

MEXICO SUPER CF 40/60

Make

MEXICO

Model

MEXICO SUPER CF

Type

40/60

UIN: 59015

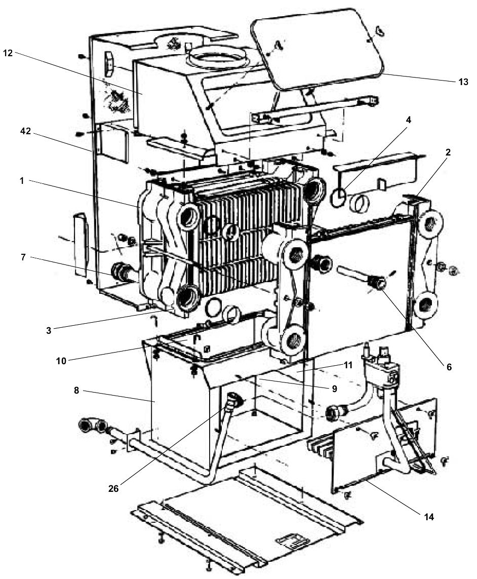
G11/A - Boiler
G11/A - Boiler
G11/B - Casing
G11/B - Casing
G11/C - Boiler Exploded
G11/C - Boiler Exploded
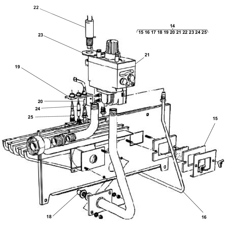
G11/D - Burner Controls
G11/D - Burner Controls
G11/E - Controls
G11/E - Controls
G11/F - Stat Controls
G11/F - Stat Controls
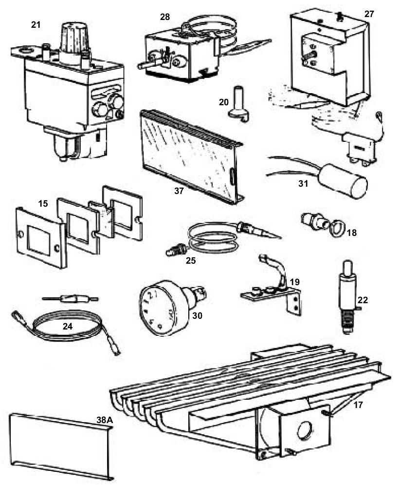
G11/G - Short List
G11/G - Short List
KeyUINNameModel
Loading...