Click on this button to call us
Click on this button to search

MEXICO SUPER RS60 PROP BLR G

Make

MEXICO

Model

MEXICO SUPER RS

Type

60P

UIN: 57903

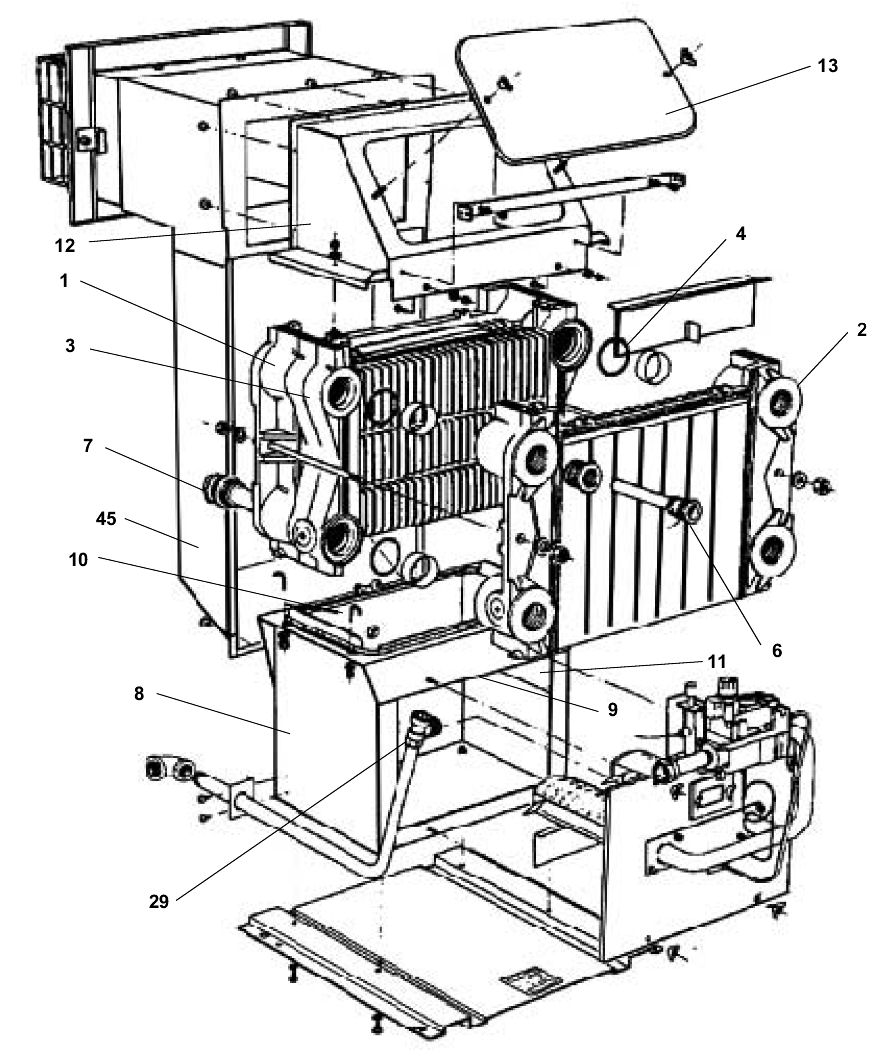
G10/A - Boiler
G10/A - Boiler
G10/B - Casing
G10/B - Casing
G10/C - Boiler Exploded
G10/C - Boiler Exploded
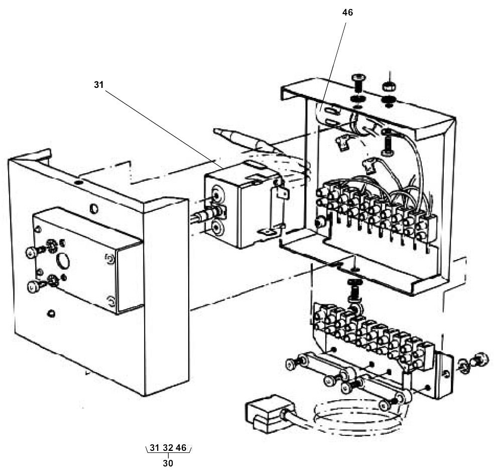
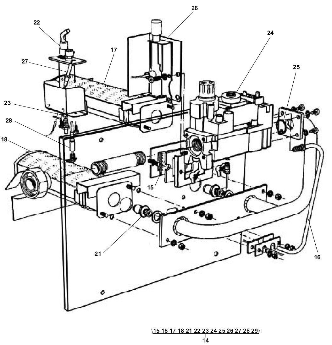
G10/D - Burner Controls
G10/D - Burner Controls
G10/E - Controls
G10/E - Controls
G10/F - Stat Controls
G10/F - Stat Controls
KeyUINNameModel
Loading...