Click on this button to call us
Click on this button to search

Keston Cesius 45 Condensing BOILER NG

Make

KESTON

Model

CELCIUS

Type

C45

UIN: 354251

K6/a - Air / Gas Assembly
K6/a - Air / Gas Assembly
K6/b - Controls
K6/b - Controls
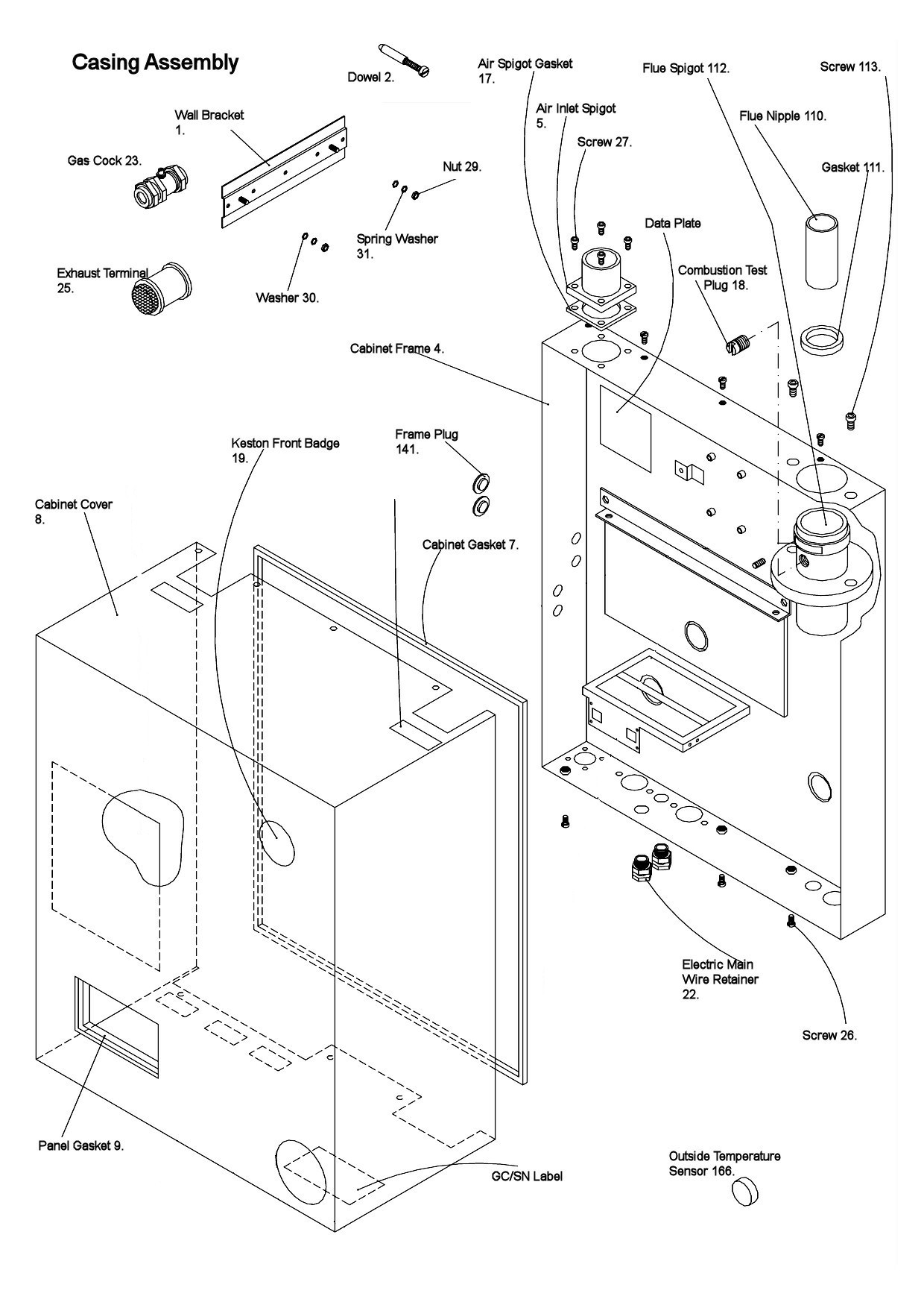
K6/c - Casing
K6/c - Casing
K6/d - Waterway
K6/d - Waterway
KeyUINNameModel
Loading...