Click on this button to call us
Click on this button to search

Keston Cesius 25P Condensing BOILER PG

Make

KESTON

Model

CELCIUS

Type

C25P

UIN: 354005

K4/a - Air / Gas
K4/a - Air / Gas
K4/b - Controls
K4/b - Controls
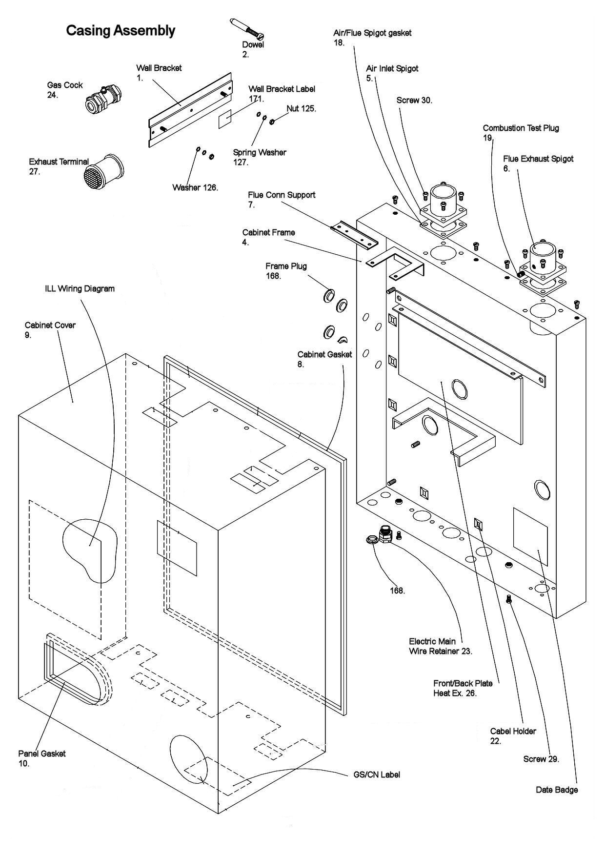
K4/c - Casing
K4/c - Casing
K4/d - Waterway
K4/d - Waterway
KeyUINNameModel
Loading...