Click on this button to call us
Click on this button to search

IDEAL IV GB24 NG

Make

MORCO

Model

IDEAL IV

Type

GB24 NG

UIN: 236483

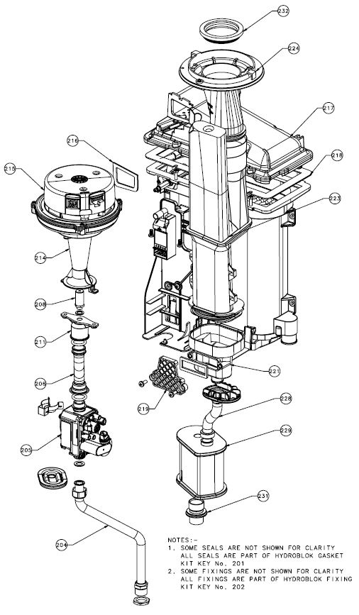
A117/A Expanded View
A117/A Expanded View
A117/B Gas Flow
A117/B Gas Flow
A117/C Waterset
A117/C Waterset
A117/D Heat Engine
A117/D Heat Engine
A117/E Controls
A117/E Controls
KeyUINNameModel
Loading...