Menu
Close
Parts Finder
Stockist Locator
About
Contact
Find a Part
Find a Stockist
Product Literature
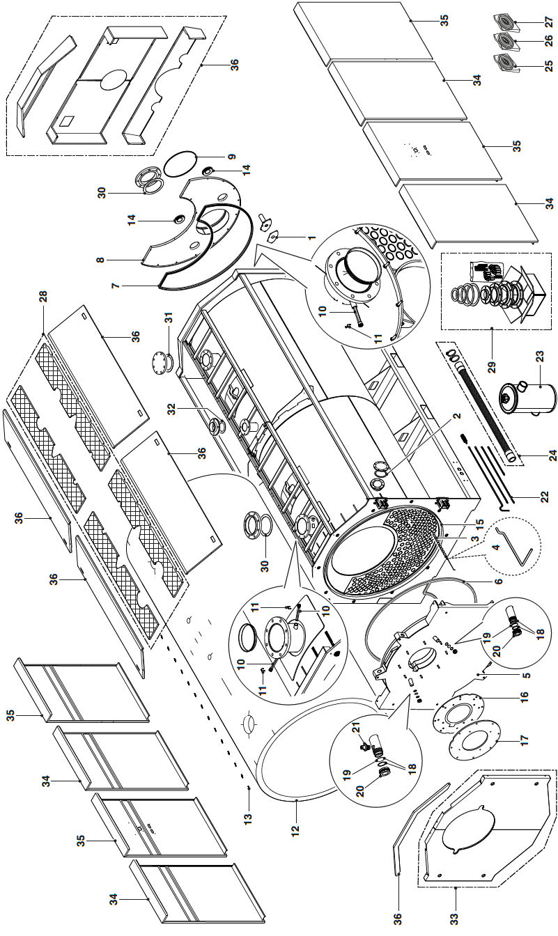
EVOJET 2100 BOILER
Make
EVOJET
Type
2100
UIN: 236151
E33 - Expanded View
Search
Key
UIN
Name
Model
Loading...