Click on this button to call us
Click on this button to search

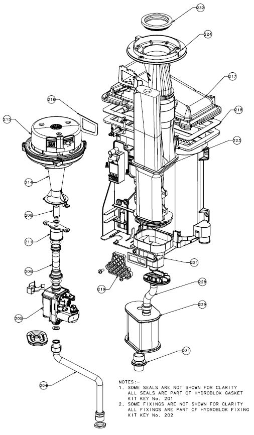
MORCO SERIES III GB24LPG

Make

MORCO

Model

MORCO 3

Type

GB24LPG

UIN: 220467

A111/A - Expanded Boiler
A111/A - Expanded Boiler
A111/B - Waterset
A111/B - Waterset
A111/C - Gas
A111/C - Gas
A111/D - Controls
A111/D - Controls
A111/E - Engine
A111/E - Engine
KeyUINNameModel
Loading...