Click on this button to call us
Click on this button to search

IDEAL VOGUE MAX SYSTEM 15

Make

VOGUE

Model

MAX SYSTEM

Type

15

UIN: 218859

A109/A - Exploded
A109/A - Exploded
A109/B - Hardware
A109/B - Hardware
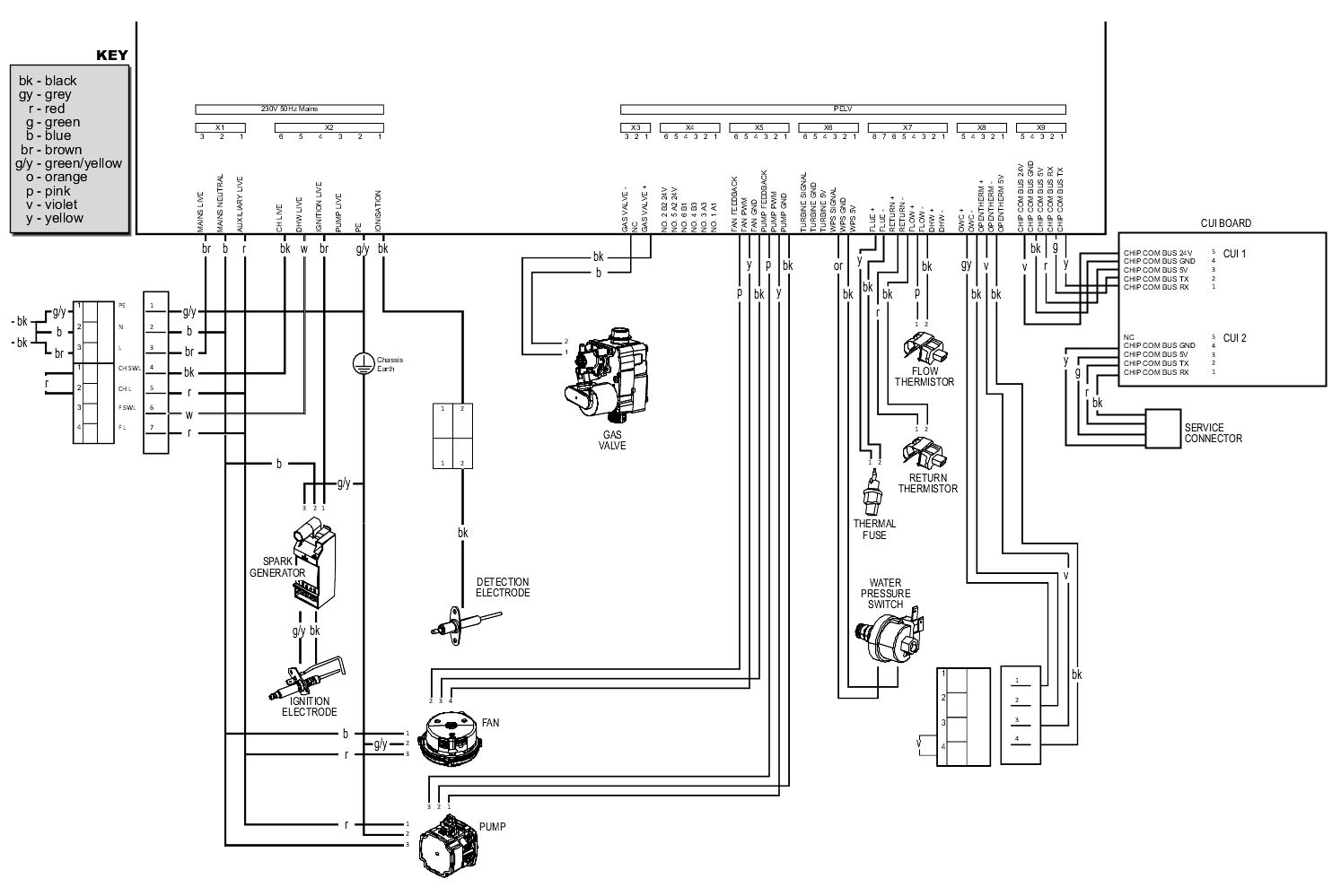
A109/C - Wiring
A109/C - Wiring
KeyUINNameModel
Loading...