Click on this button to call us
Click on this button to search

IDEAL INSTINCT HEAT 40 BOILER

Make

INSTINCT

Model

INSTINCT HEAT

Type

40

UIN: 214196

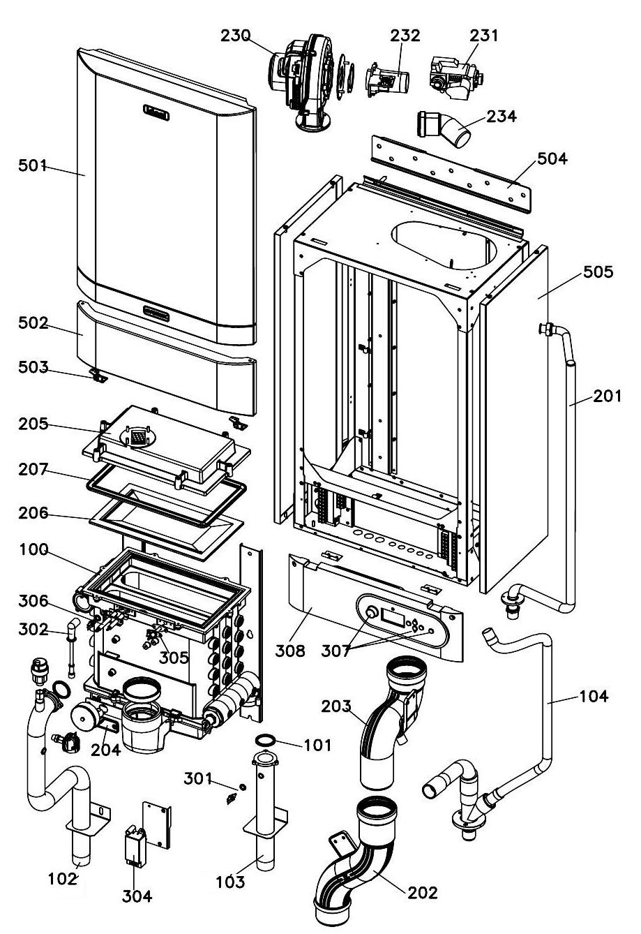
E27/A - Boiler Expanded
E27/A - Boiler Expanded
E27/B - Water Management
E27/B - Water Management
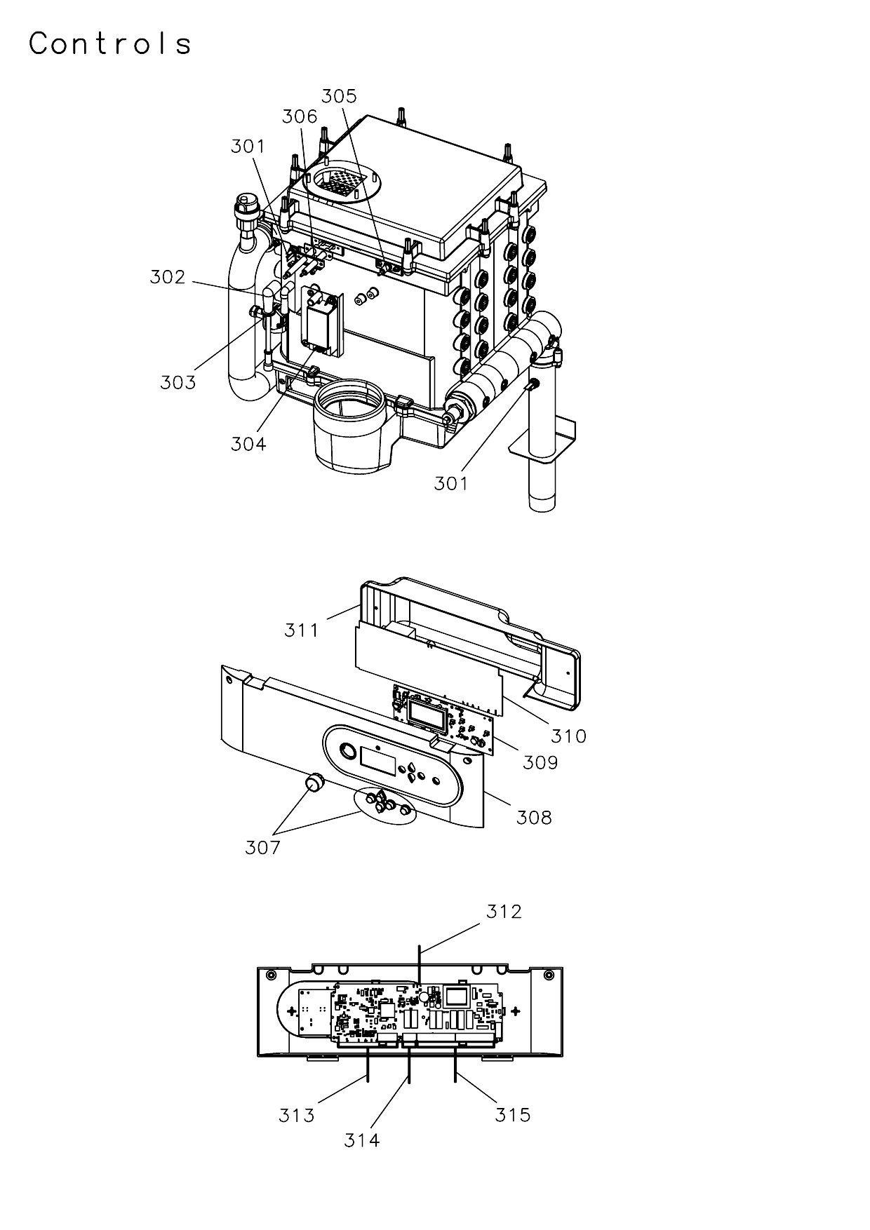
E27/C - Controls
E27/C - Controls
E27/D - Fan Assemblies 1
E27/D - Fan Assemblies 1
E27/E - Fan Assemblies 2
E27/E - Fan Assemblies 2
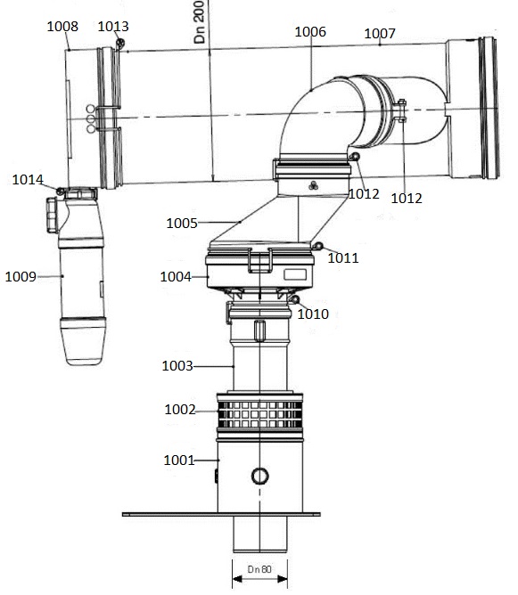
E27/M Multiline Flue
E27/M Multiline Flue
KeyUINNameModel
Loading...