Click on this button to call us
Click on this button to search

MORCO GB30 BOILER SERIES II

Make

MORCO

Model

GB SERIES II

Type

30P

UIN: 210875

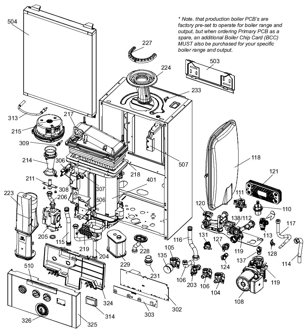
A96/A - Boiler Expanded View
A96/A - Boiler Expanded View
A96/B - Gas Management
A96/B - Gas Management
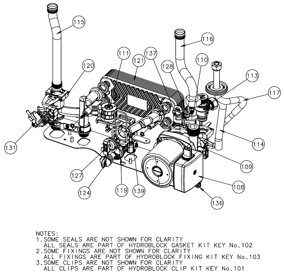
A96/C - Water Management
A96/C - Water Management
A96/D - Controls
A96/D - Controls
A96/E - Wiring
A96/E - Wiring
KeyUINNameModel
Loading...