Click on this button to call us
Click on this button to search

IDEAL LOGIC CODE COMBI ES33 BOILER

Make

LOGIC

Model

CODE COMBI ES

Type

ES33

UIN: 210142

A94/A - Boiler Exploded
A94/A - Boiler Exploded
A94/B - Gas Management
A94/B - Gas Management
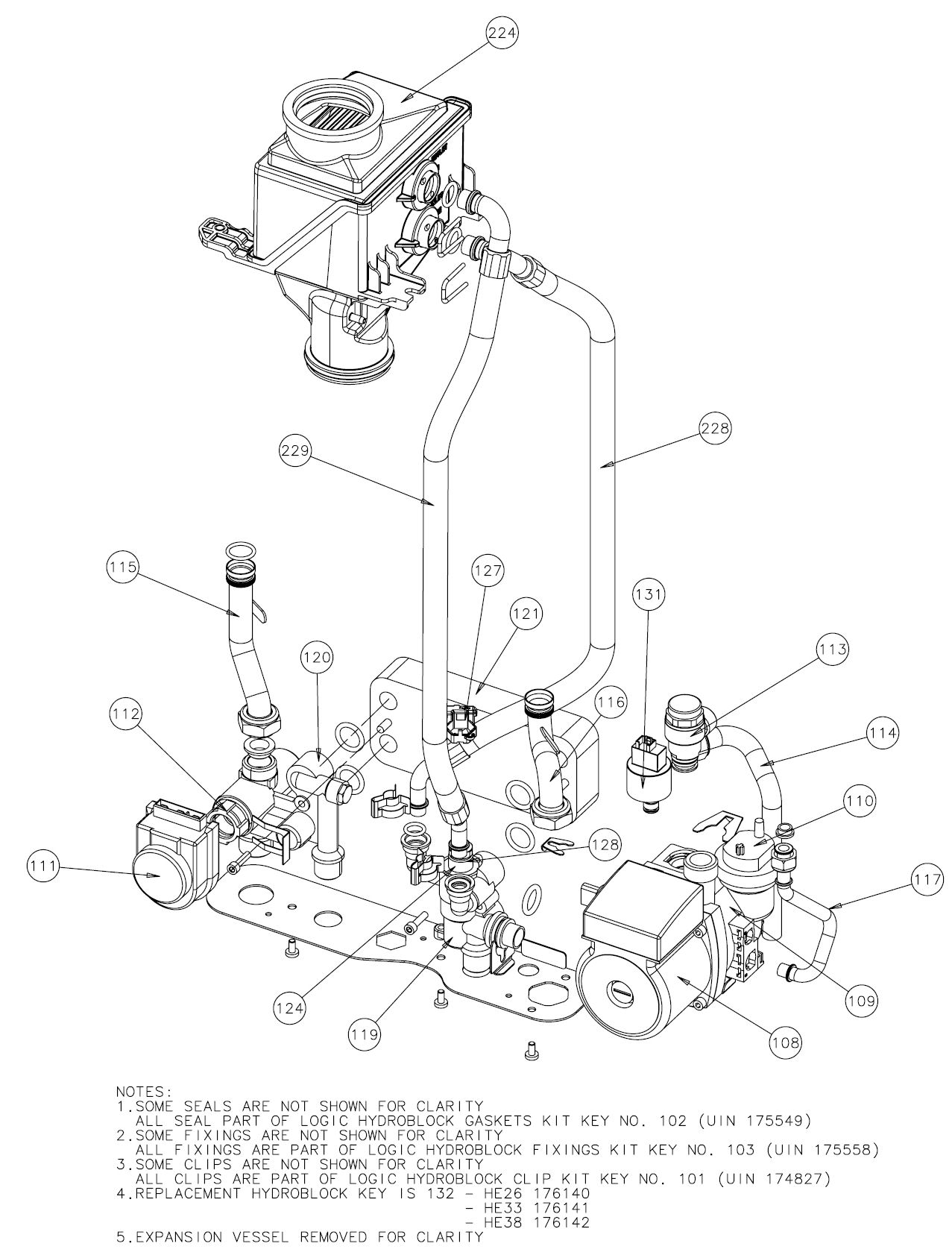
A94/C - Water Management - Brass (Pre ABK)
A94/C - Water Management - Brass (Pre ABK)
A94/D - Water Management - Composite (ABK Onwards)
A94/D - Water Management - Composite (ABK Onwards)
A94/E - Controls
A94/E - Controls
A94/F - Hardware Pack
A94/F - Hardware Pack
KeyUINNameModel
Loading...