Click on this button to call us
Click on this button to search

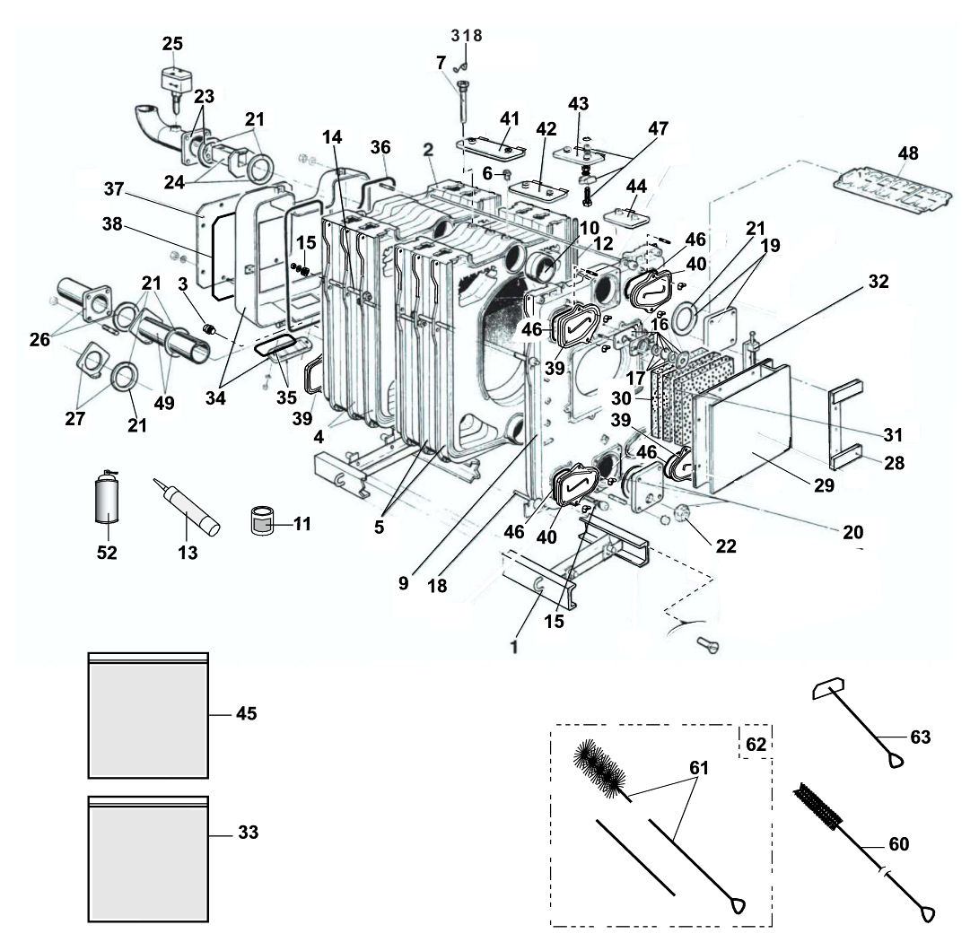
VISCOUNT GTS19 BOILER ONLY

Make

VISCOUNT

Model

VISCOUNT GTS

Type

GTS19

UIN: 203933

L41/A - Casing
L41/A - Casing
L41/B - Insulation
L41/B - Insulation
L41/C - Boiler Body
L41/C - Boiler Body
L41/D - Controls
L41/D - Controls
KeyUINNameModel
Loading...