Click on this button to call us
Click on this button to search

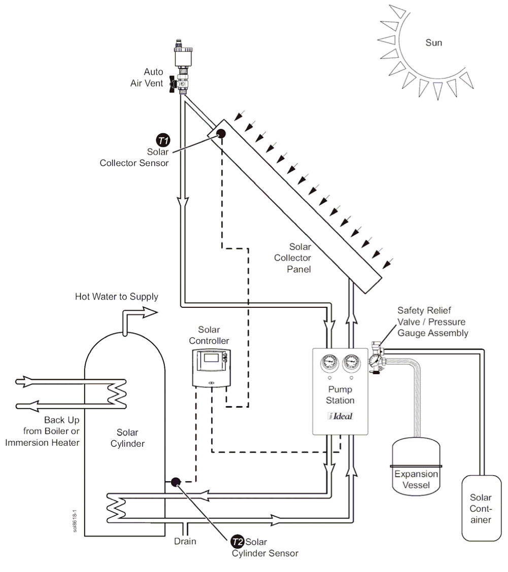
SOLAR PACK 1 (1 COLLECTOR)

Make

SOLAR

Model

SOLAR

UIN: 203392

S1 /A - Short Parts List
S1 /A - Short Parts List
S1 /B - Solar Exploded
S1 /B - Solar Exploded
S1/A - Expanded
S1/A - Expanded
KeyUINNameModel
Loading...