Click on this button to call us
Click on this button to search

ISTOR HE325 SYSTEM COMPLETE

Make

ISTOR

Model

ISTOR HE

Type

HE325

UIN: 203257

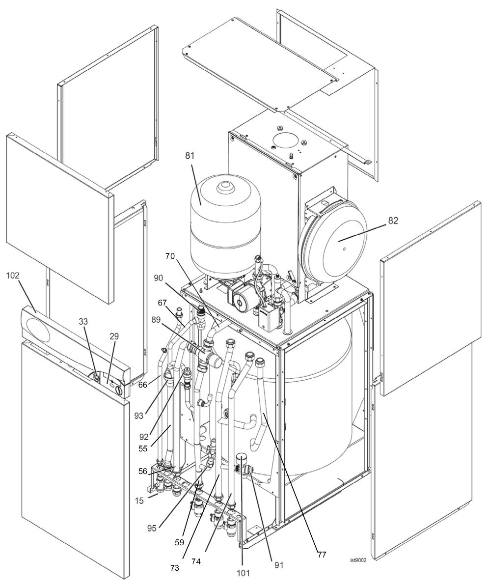
G31/A - Boiler Complete Exploded Before WV
G31/A - Boiler Complete Exploded Before WV
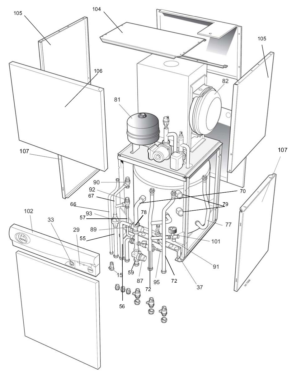
G31/B - Boiler Complete Exploded WV onward
G31/B - Boiler Complete Exploded WV onward
G31/C - Boiler Module Exploded
G31/C - Boiler Module Exploded
G31/D - Short List
G31/D - Short List
G31/E - Wiring
G31/E - Wiring
KeyUINNameModel
Loading...