Click on this button to call us
Click on this button to search

IDEAL MINI HE C32P

Make

MINI

Model

MINI HE C

Type

C32P

UIN: 202665

A83/A - Info
A83/A - Info
A83/B - Boiler
A83/B - Boiler
A83/C - CH Return VD
A83/C - CH Return VD
A83/D - CH Return VJ
A83/D - CH Return VJ
A83/E - Flow Gp
A83/E - Flow Gp
A83/F - Pump Ass
A83/F - Pump Ass
A83/G - Gas Line
A83/G - Gas Line
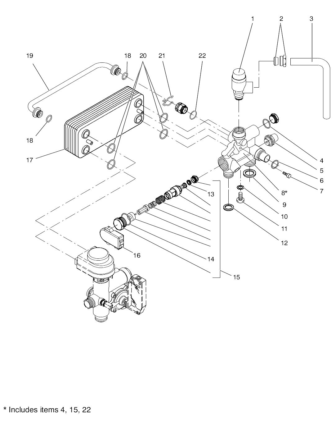
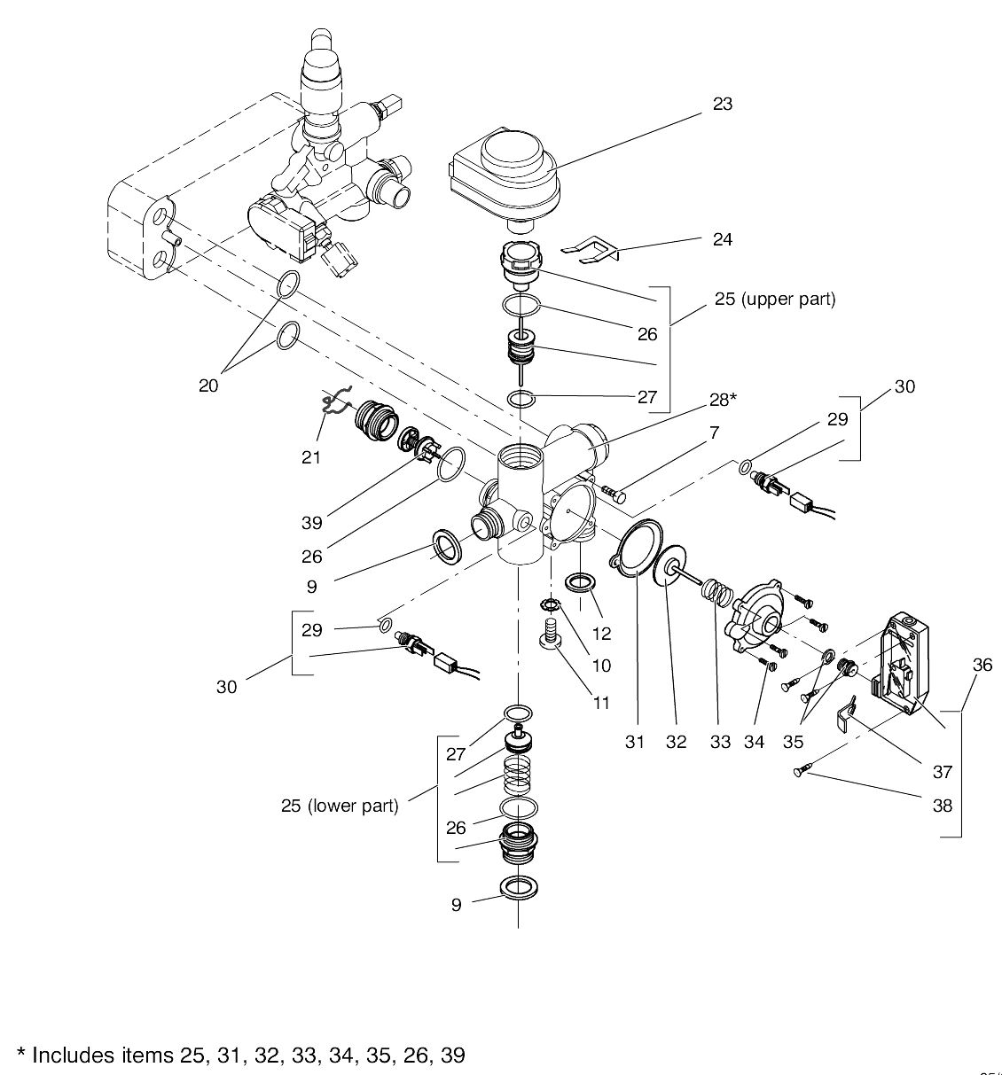
A83/H - Valves and Pipes
A83/H - Valves and Pipes
A83/I - Controls VD
A83/I - Controls VD
A83/J - Controls VJ
A83/J - Controls VJ
A83/K - Wiring VD
A83/K - Wiring VD
A83/L - Wiring VJ
A83/L - Wiring VJ
A83/M - Casing
A83/M - Casing
KeyUINNameModel
Loading...