Click on this button to call us
Click on this button to search

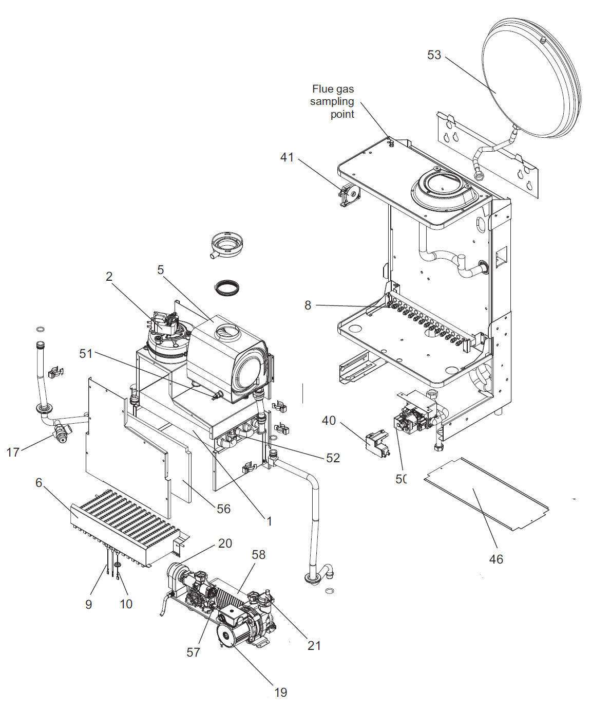
IDEAL EXCEL HE C24

Make

EXCEL

Model

EXCEL HE

Type

C24

UIN: 201272

A82/B - Boiler Exploded
A82/B - Boiler Exploded
A82/C - Valves
A82/C - Valves
A82/D - Short List
A82/D - Short List
KeyUINNameModel
Loading...