Click on this button to call us
Click on this button to search

ISAR M30100 BOILER HULL CITY COUNCIL

Make

ISAR

Model

ISAR M

Type

M30100

UIN: 159695

A65/A - Boiler
A65/A - Boiler
A65/B - Casing
A65/B - Casing
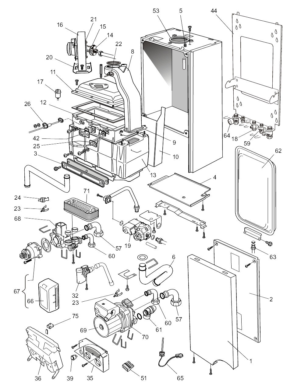
A65/C - Boiler Exploded
A65/C - Boiler Exploded
A65/D - Burner
A65/D - Burner
A65/E - Controls
A65/E - Controls
A65/F - Short List
A65/F - Short List
A65/G - Info
A65/G - Info
KeyUINNameModel
Loading...