Click on this button to call us
Click on this button to search

CONCORD CXSD90 GAS GZ50 POLAND

Make

CONCORD

Model

CONCORD CXSD

Type

90

UIN: 156443

E18/A - Casing
E18/A - Casing
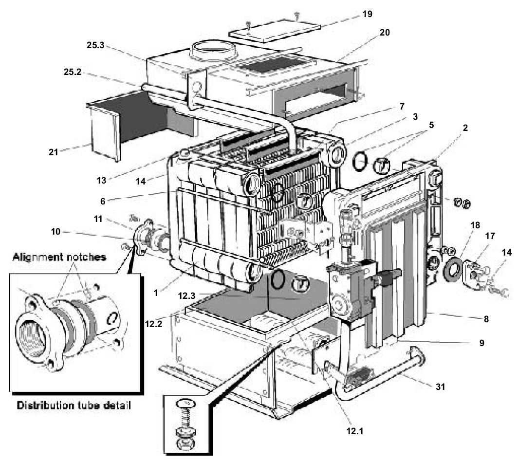
E18/B - Boiler Exploded
E18/B - Boiler Exploded
E18/C - Burner Controls 100 120
E18/C - Burner Controls 100 120
E18/D - Burner Controls 40 90
E18/D - Burner Controls 40 90
E18/E - Controls
E18/E - Controls
E18/F - Controls1
E18/F - Controls1
KeyUINNameModel
Loading...