Click on this button to call us
Click on this button to search

FALCON COMBI 250TR SYSTEM

Make

FALCON

Model

FALCON COMBI

Type

250 TR

UIN: 156385

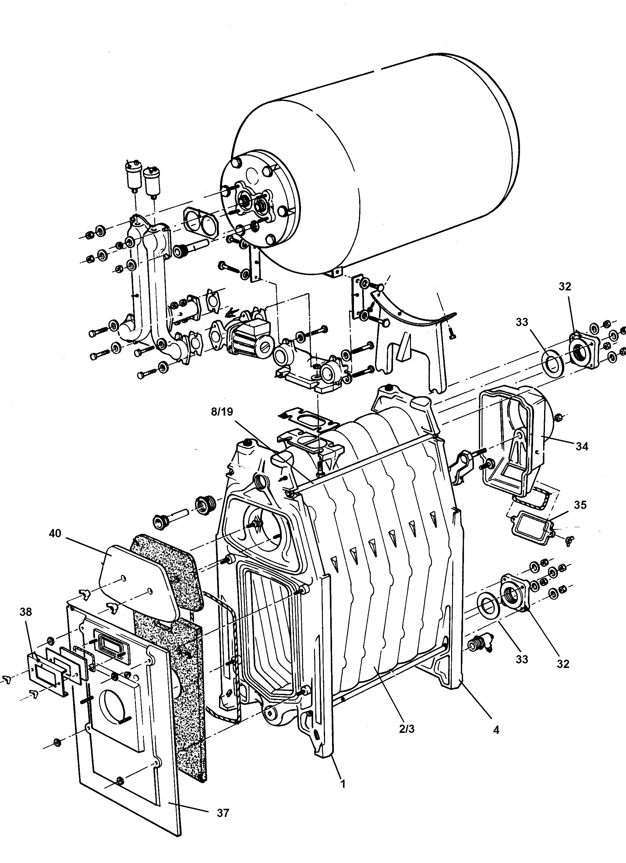
F12.1/A - Boiler Exploded
F12.1/A - Boiler Exploded
KeyUINNameModel
Loading...