Click on this button to call us
Click on this button to search

SENATOR CALORIFIER B200 C/W STAT KIT

Make

SENATOR

Model

SENATOR

Type

B200

UIN: 154984

L33/A - Calorifier Expanded
L33/A - Calorifier Expanded
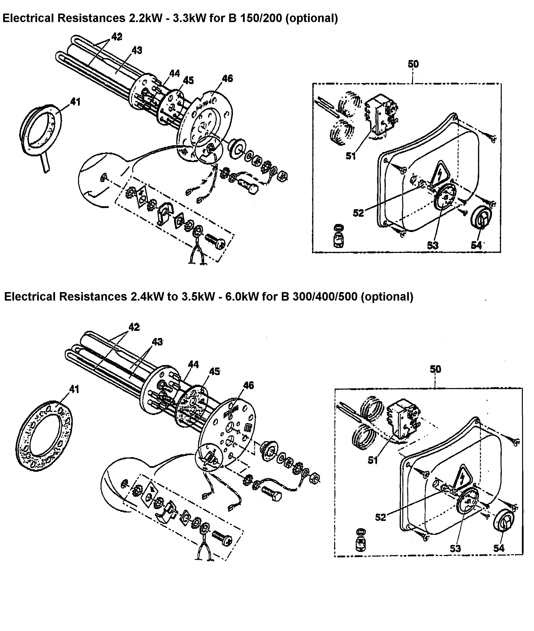
L33/B - Element
L33/B - Element
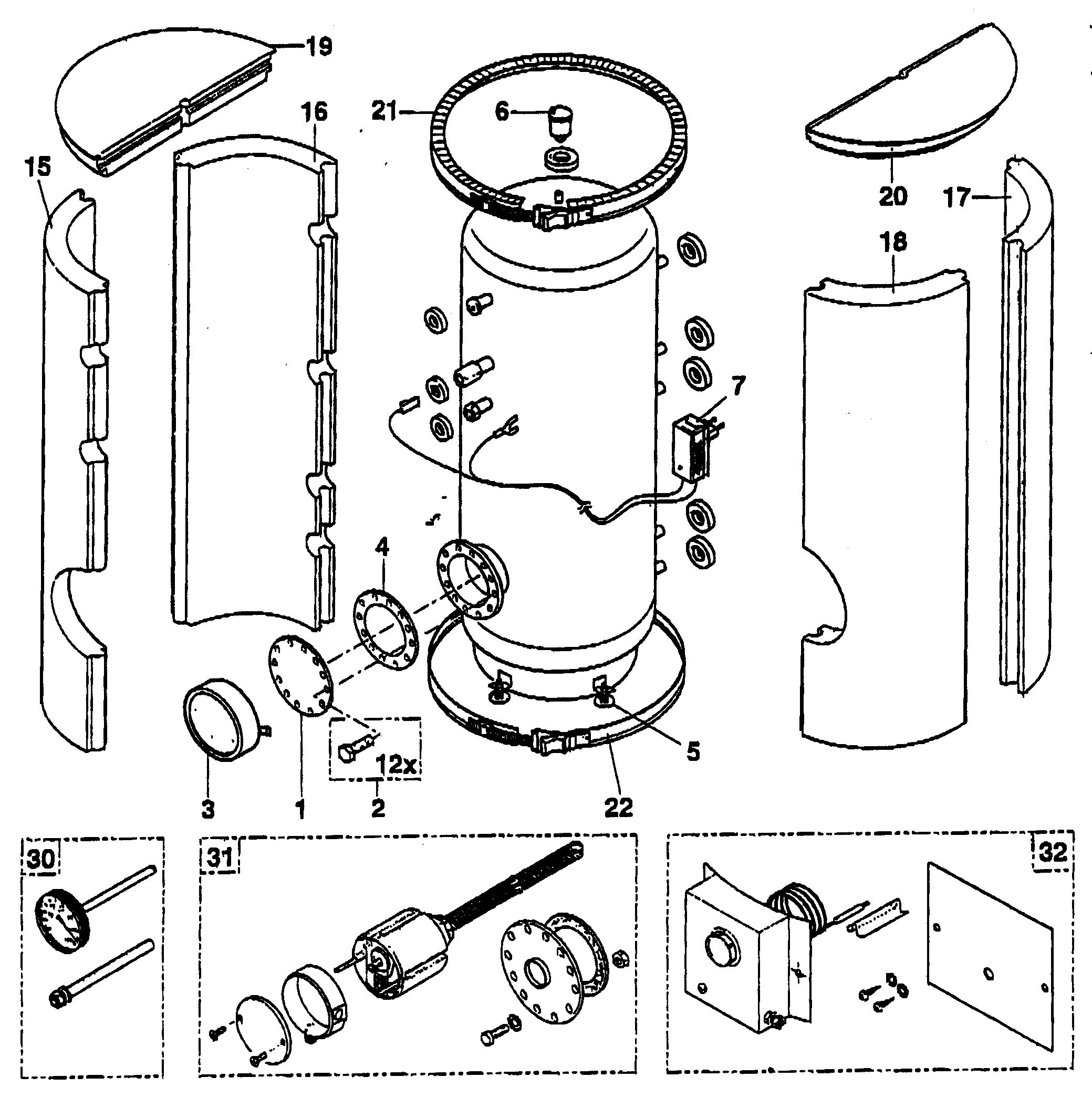
L33/C - Expanded B100
L33/C - Expanded B100
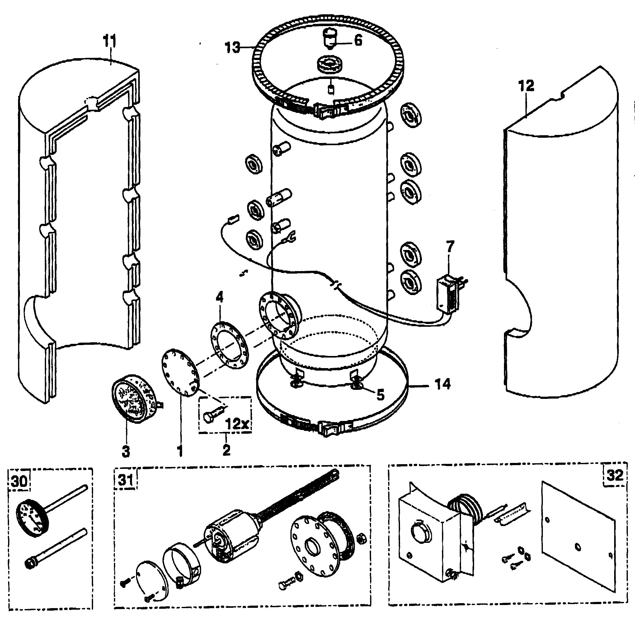
L33/D - Expanded B800
L33/D - Expanded B800
KeyUINNameModel
Loading...