Click on this button to call us
Click on this button to search

CONCORD CXA110 GAS BR NG U/A

Make

CONCORD

Model

CONCORD CXA

Type

110

UIN: 154399

E17/A - Casing
E17/A - Casing
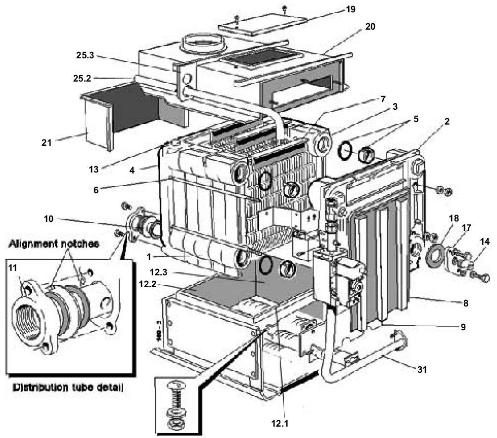
E17/B - Boiler Exploded
E17/B - Boiler Exploded
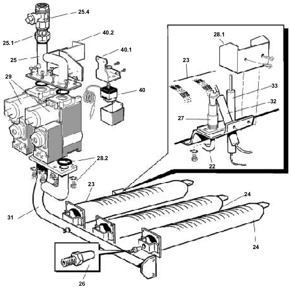
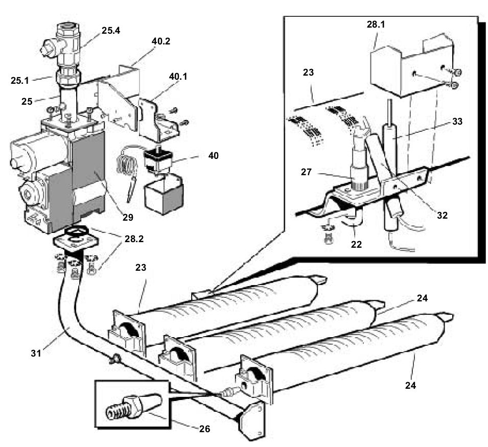
E17/C - Burner Controls 40 80
E17/C - Burner Controls 40 80
E17/D - Burner Controls 90 120
E17/D - Burner Controls 90 120
E17/E - Controls
E17/E - Controls
KeyUINNameModel
Loading...