Click on this button to call us
Click on this button to search

CONCORD CX.I 160 BLR.NG U/ASS

Make

CONCORD

Model

CONCORD CXI

Type

160

UIN: 138745

F33/A - Casing
F33/A - Casing
F33/B - Boiler Expanded
F33/B - Boiler Expanded
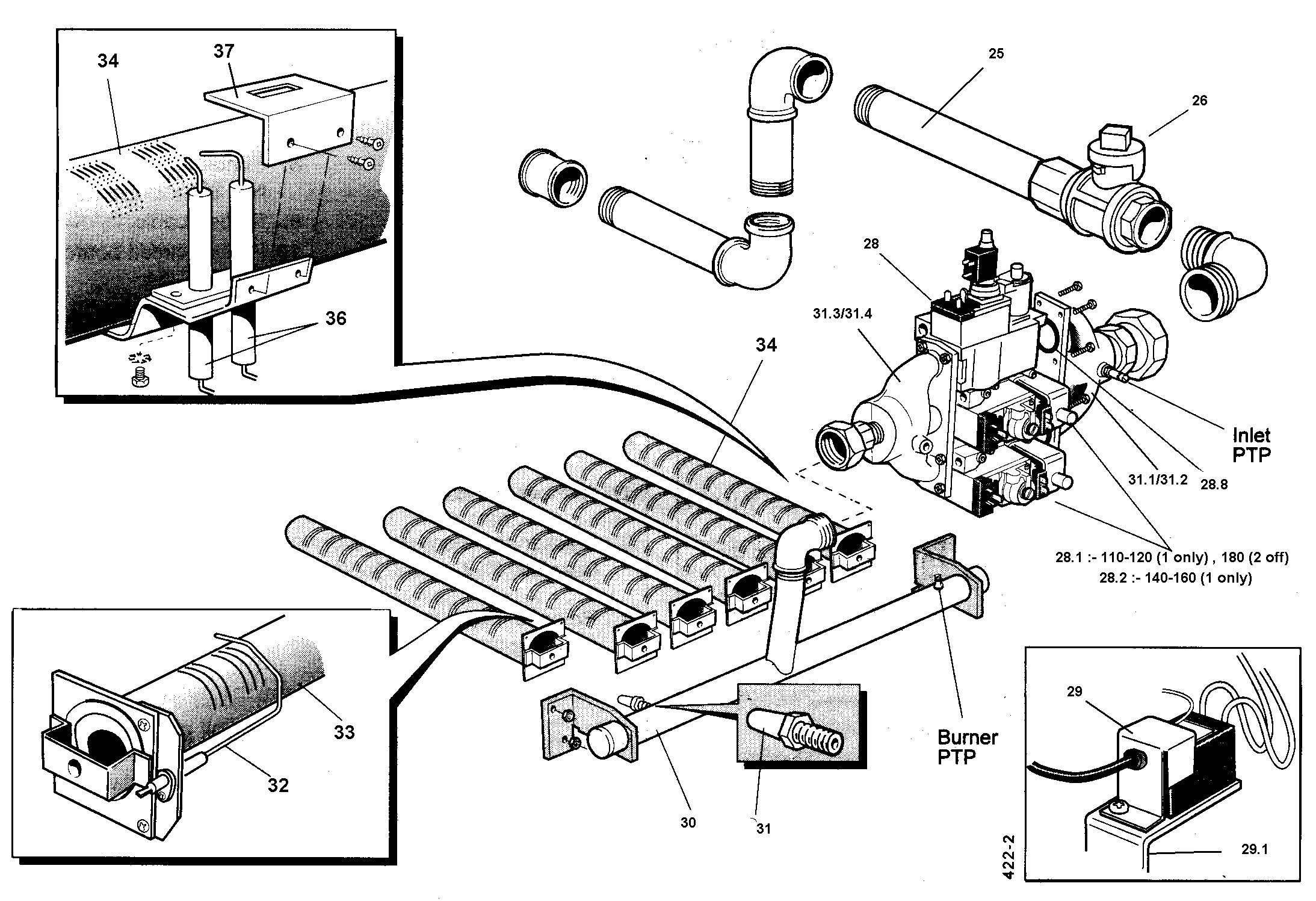
F33/C - Burner & Controls
F33/C - Burner & Controls
F33/D - Gas Line - CXI 110 - CXI 160
F33/D - Gas Line - CXI 110 - CXI 160
F33/E - Gas Line - CXI 180
F33/E - Gas Line - CXI 180
F33/F - Controls
F33/F - Controls
KeyUINNameModel
Loading...