Click on this button to call us
Click on this button to search

ELAN 2 NF50 - BROWN

Make

ELAN

Model

ELAN 2 NF

Type

NF50

UIN: 137033

A39/A - Casing
A39/A - Casing
A39/B - Boiler Expanded
A39/B - Boiler Expanded
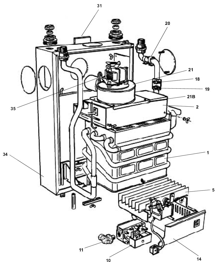
A39/C - Burner And Controls (SIT Valve Shown)
A39/C - Burner And Controls (SIT Valve Shown)
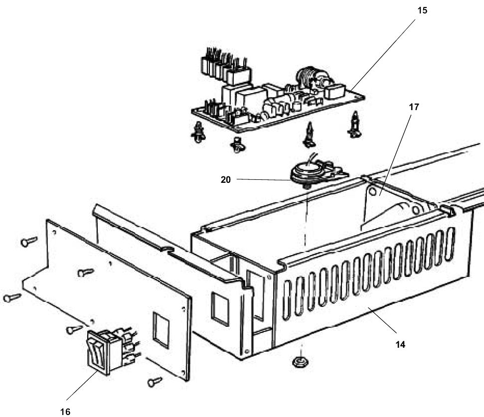
A39/D - Controls Box
A39/D - Controls Box
A39/E - Short Parts List
A39/E - Short Parts List
KeyUINNameModel
Loading...