Click on this button to call us
Click on this button to search

W2000 CF45NP PROPANE

Make

W2000

Model

W2000 CFN

Type

CF45NP

UIN: 136720

A41/A - Boiler View
A41/A - Boiler View
A41/B - Casing
A41/B - Casing
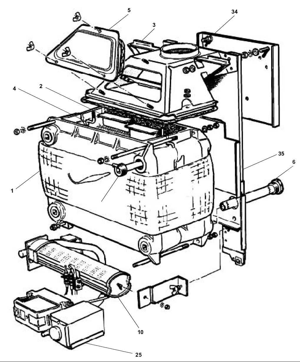
A41/C - Boiler Expanded
A41/C - Boiler Expanded
A41/D - Burner and Controls
A41/D - Burner and Controls
A41/E - Controls
A41/E - Controls
A41/F - Short List
A41/F - Short List
KeyUINNameModel
Loading...