Click on this button to call us
Click on this button to search

CONCORD CXD170 GAS BOILER NG

Make

CONCORD

Model

CONCORD CXD

Type

170

UIN: 136155

E11/A - Casing
E11/A - Casing
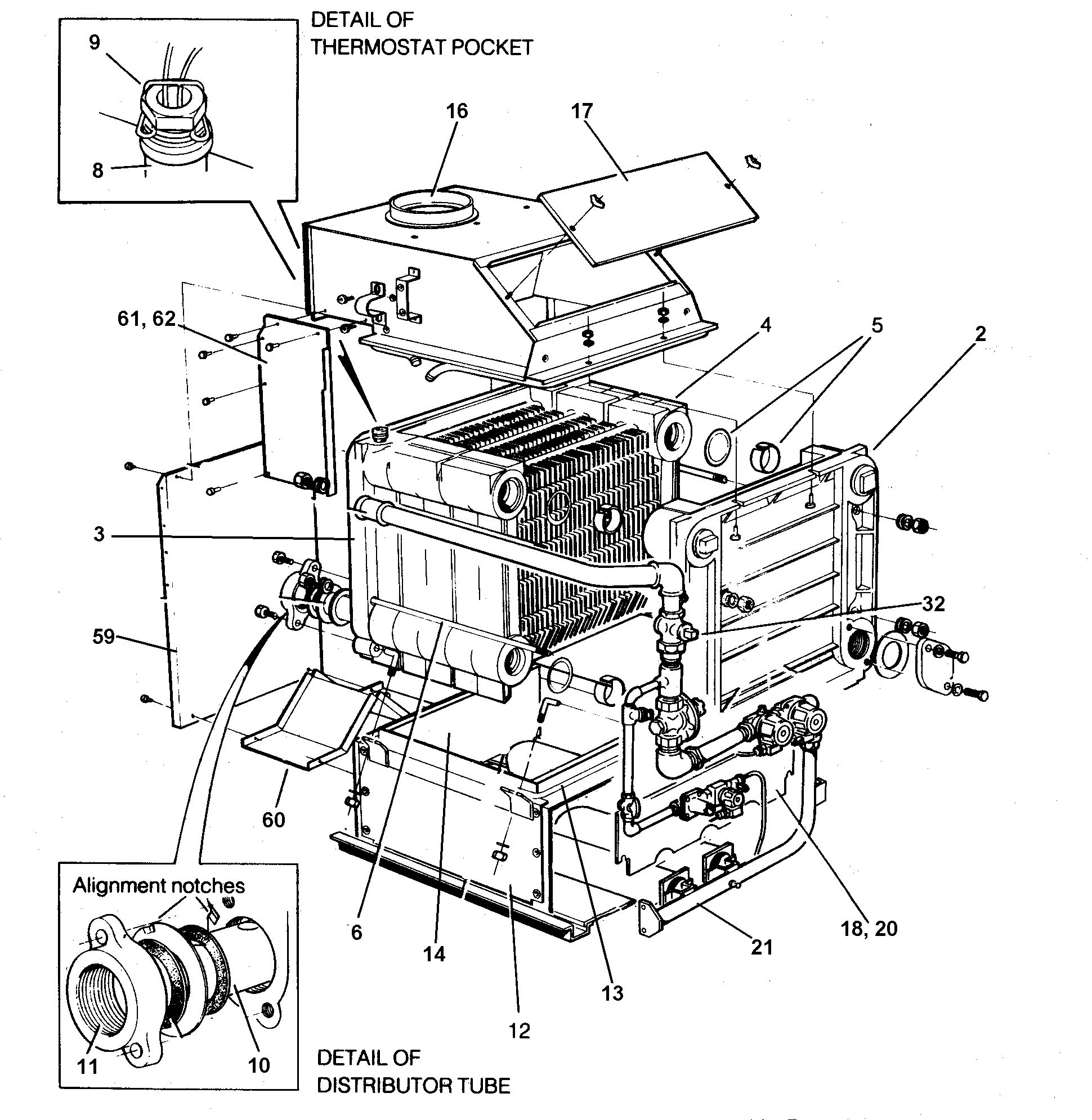
E11/B - Boiler Exploded
E11/B - Boiler Exploded
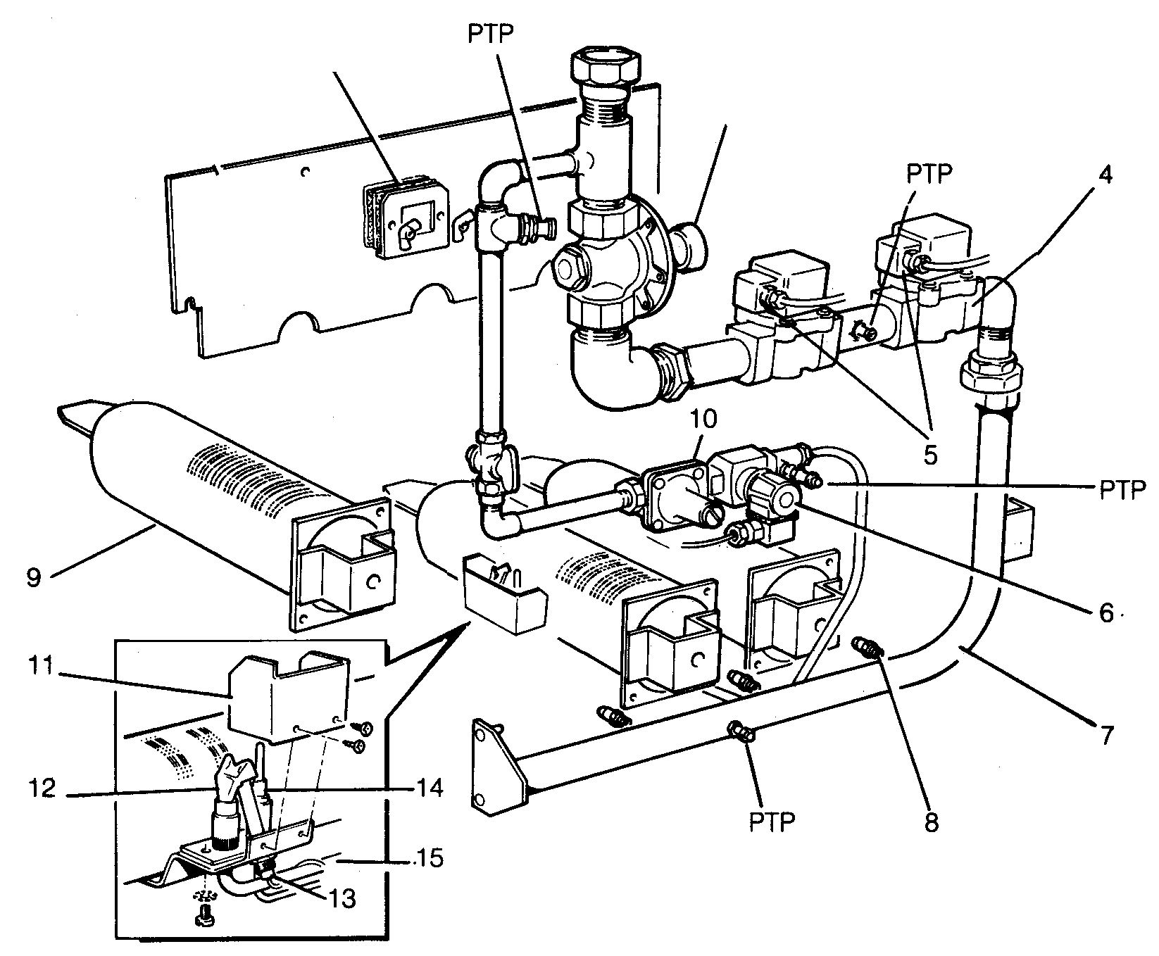
E11/C - Burner Controls
E11/C - Burner Controls
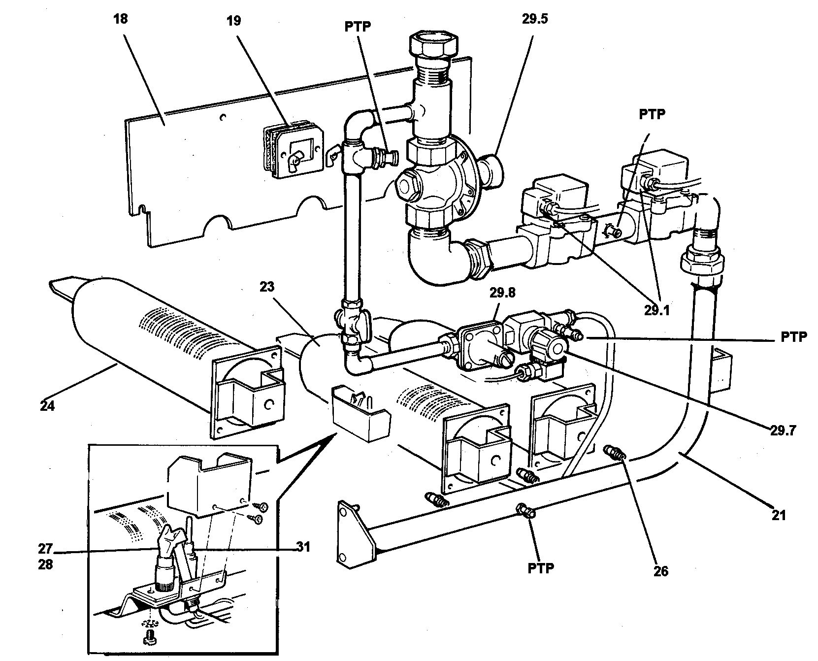
E11/D - Burner Controls2
E11/D - Burner Controls2
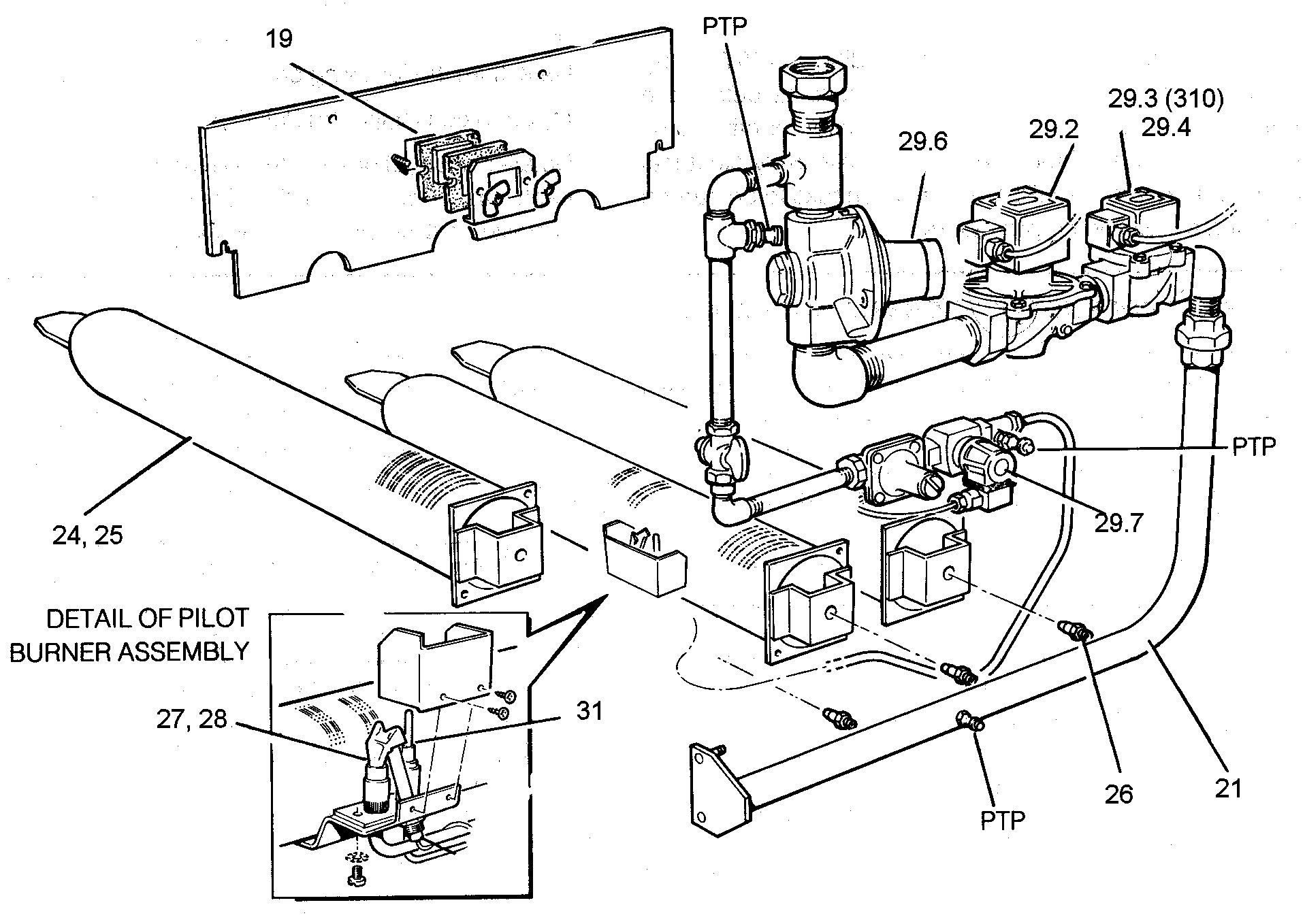
E11/E - Controls
E11/E - Controls
E11/F - Controls2
E11/F - Controls2
E11/G - Controls3
E11/G - Controls3
KeyUINNameModel
Loading...