Click on this button to call us
Click on this button to search

CONCORD CX205 GAS BLR.NG U/ASS

Make

CONCORD

Model

CONCORD CX (S2)

Type

205

UIN: 135948

E10/A - Boiler
E10/A - Boiler
E10/B - Casing
E10/B - Casing
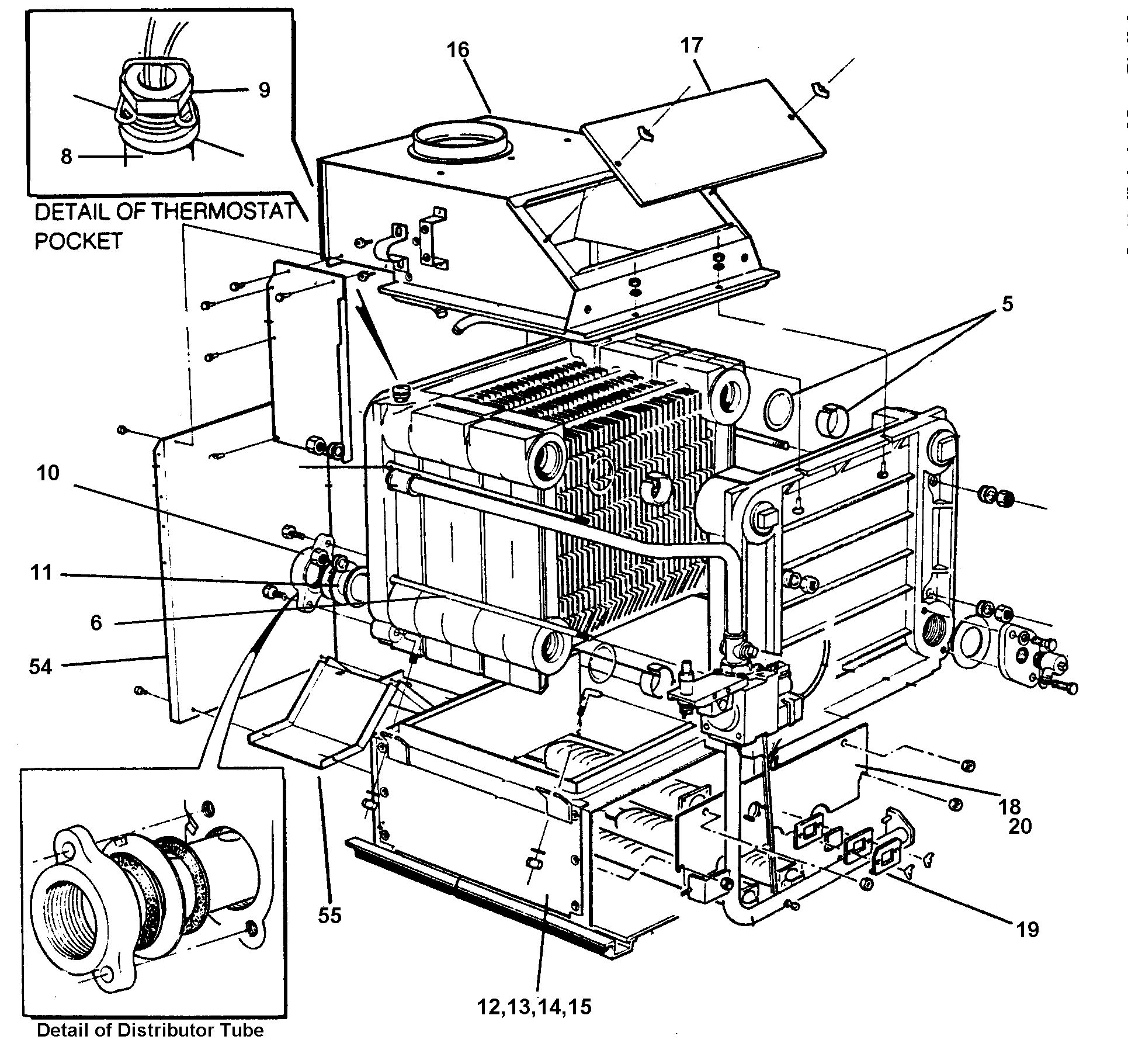
E10/C - Boiler Exploded
E10/C - Boiler Exploded
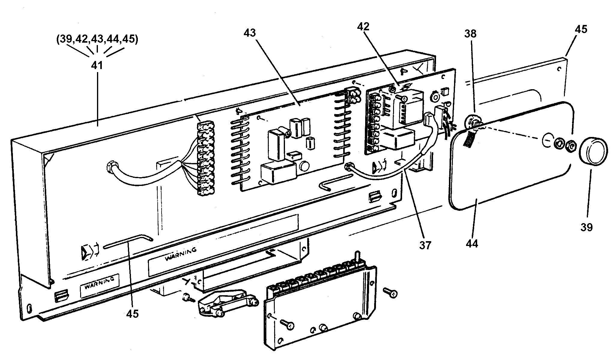
E10/D - Burner Controls
E10/D - Burner Controls
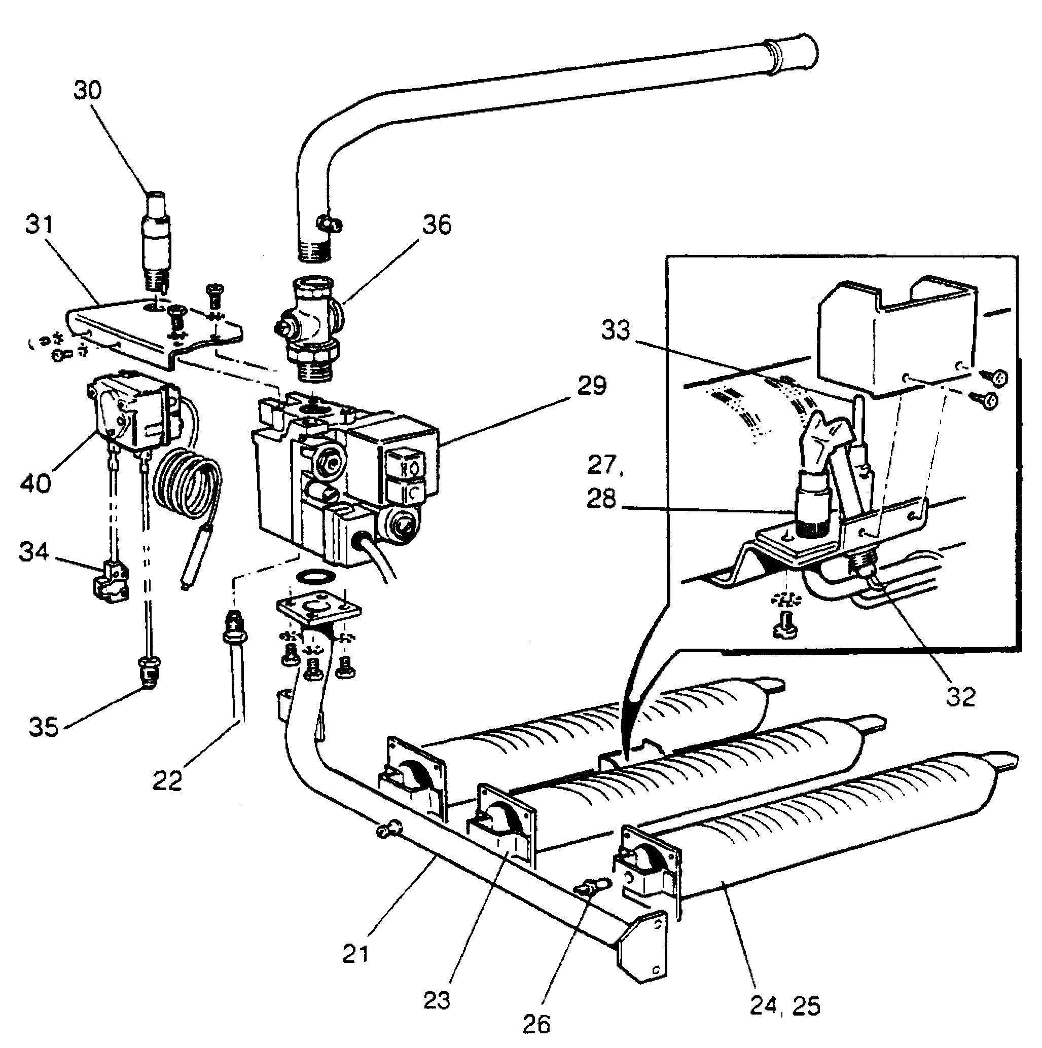
E10/E - Controls
E10/E - Controls
E10/F - Controls2
E10/F - Controls2
E10/G - Controls3
E10/G - Controls3
KeyUINNameModel
Loading...