Click on this button to call us
Click on this button to search

MEXICO SLIMLINE 2 CF 55

Make

MEXICO

Model

MEXICO SLIMLINE 2 CF

Type

CF55

UIN: 135336

G5 /A - Casing
G5 /A - Casing
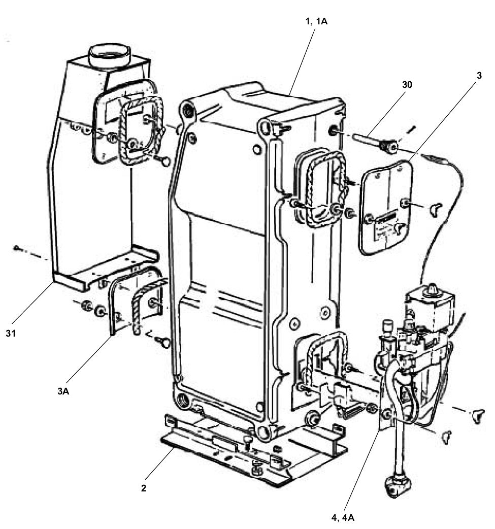
G5 /B - Boiler Exploded
G5 /B - Boiler Exploded
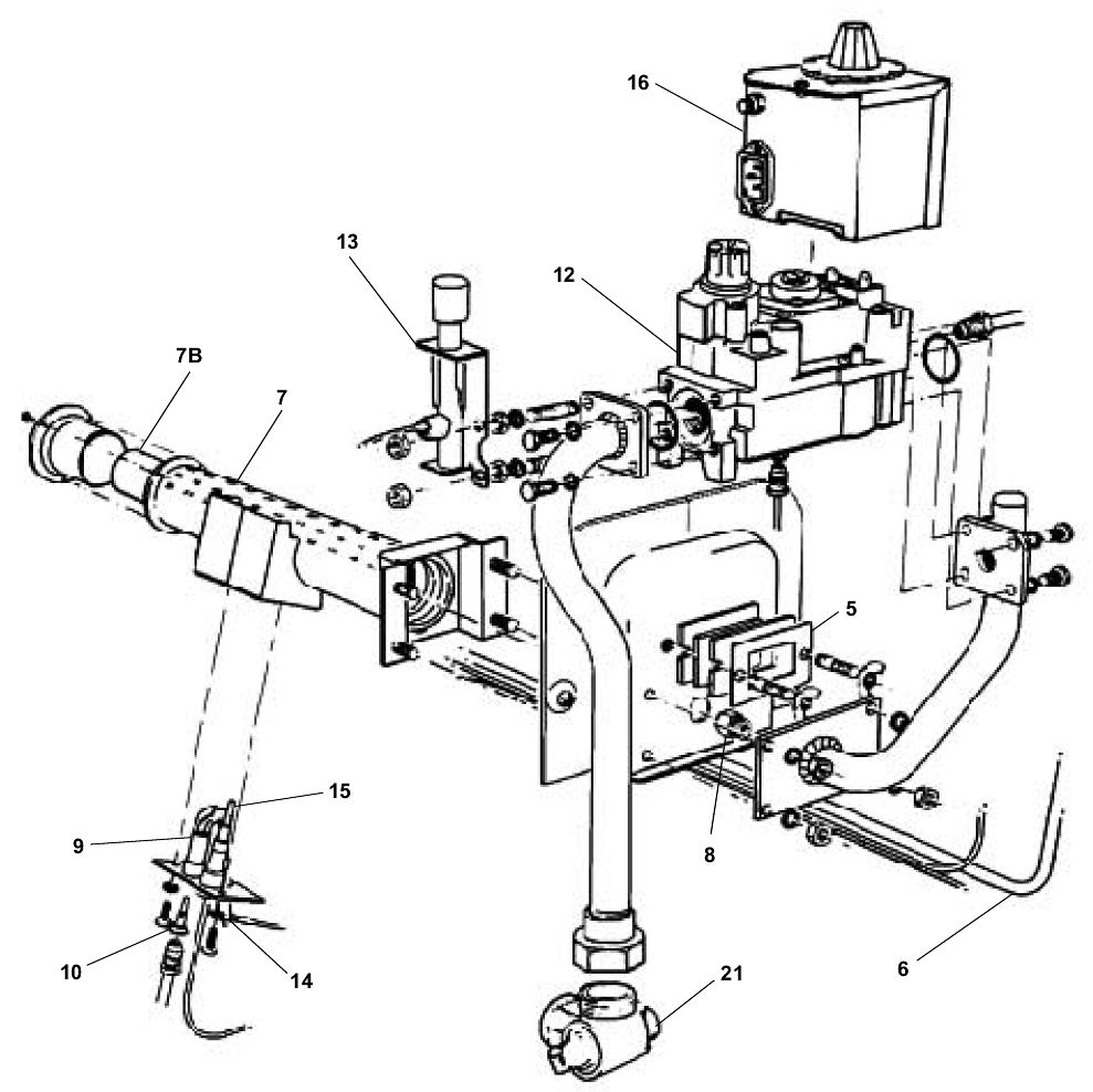
G5 /C - Burner Controls 40
G5 /C - Burner Controls 40
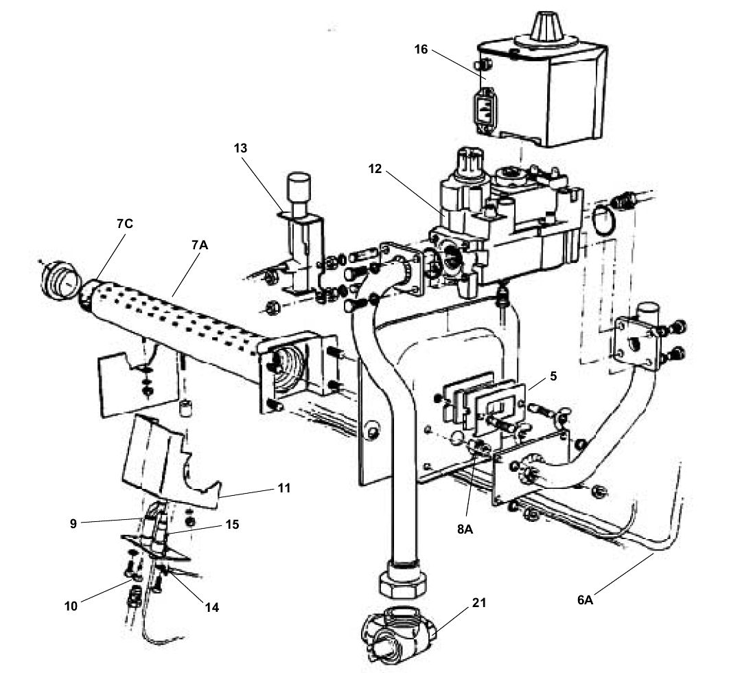
G5 /D - Burner Controls 55
G5 /D - Burner Controls 55
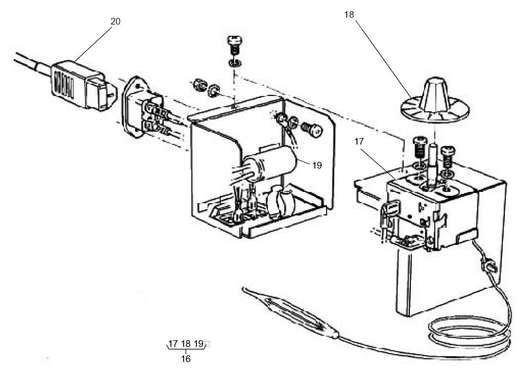
G5 /E - Controls
G5 /E - Controls
KeyUINNameModel
Loading...