Click on this button to call us
Click on this button to search

W2000 60F'P'PROPANE

Make

W2000

Model

W2000 F

Type

60F P

UIN: 134844

A32/A - Casing
A32/A - Casing
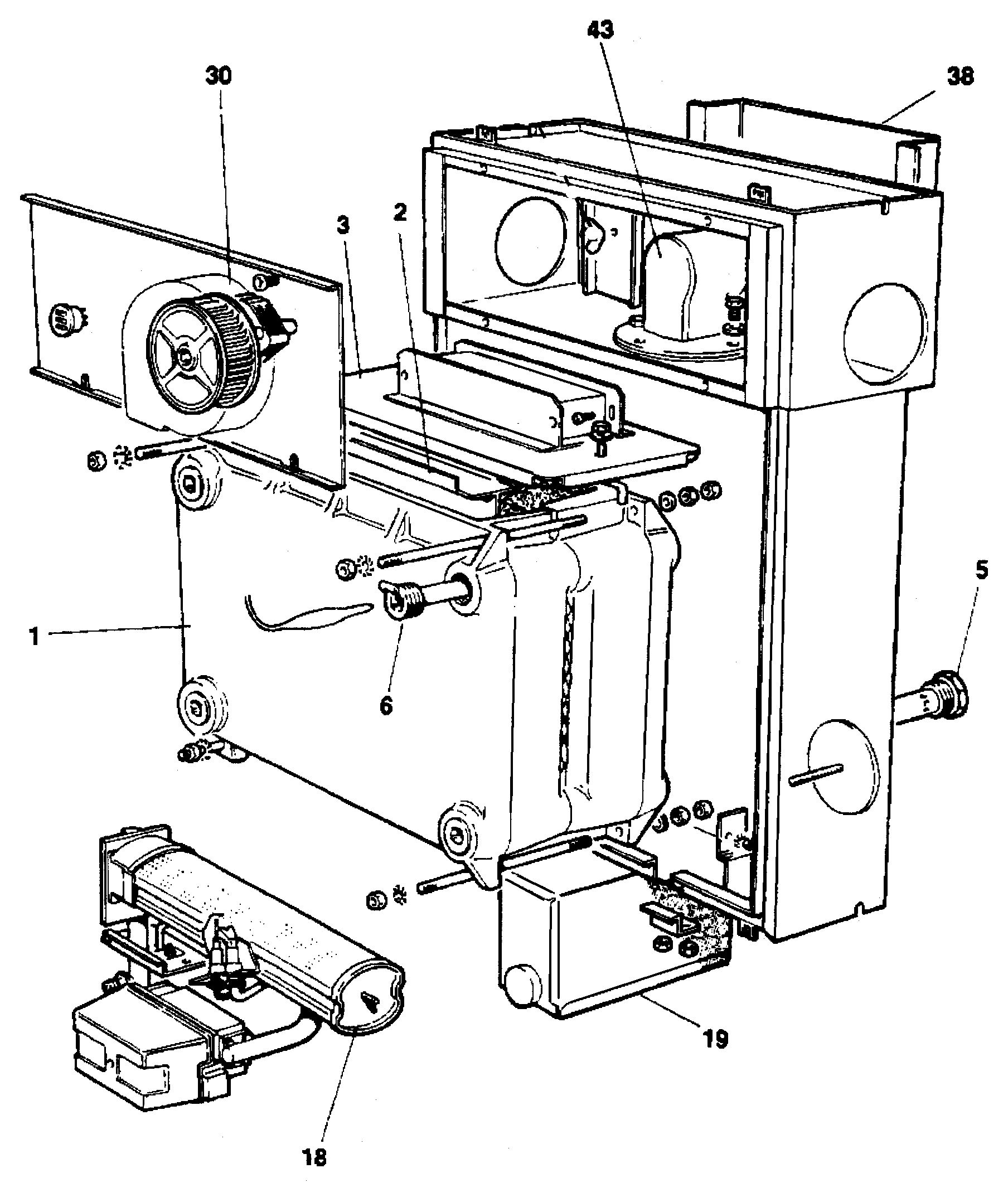
A32/B - Boiler Expanded
A32/B - Boiler Expanded
A32/C - Burner & Controls
A32/C - Burner & Controls
A32/D - Short List
A32/D - Short List
KeyUINNameModel
Loading...