Click on this button to call us
Click on this button to search

MEXICO SUPER 2 RS 125

Make

MEXICO

Model

MEXICO SUPER 2 RS

Type

RS125

UIN: 134814

G13/A - Boiler
G13/A - Boiler
G13/B - Casing
G13/B - Casing
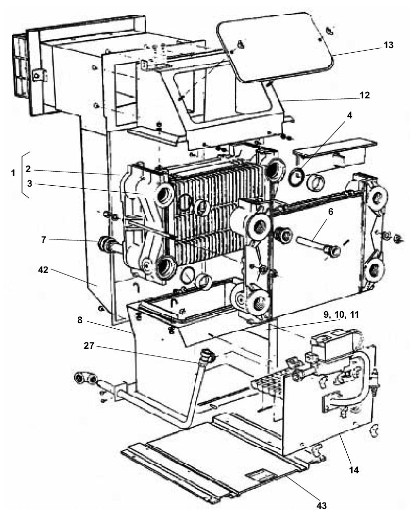
G13/C - Boiler Exploded
G13/C - Boiler Exploded
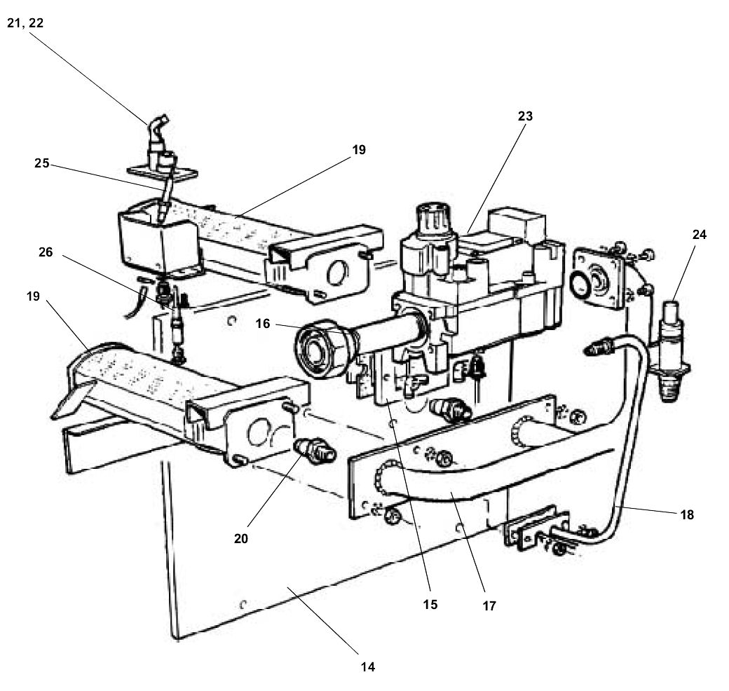
G13/D - Burner Control SIT40 50
G13/D - Burner Control SIT40 50
G13/E - Burner Controls HW 70 80
G13/E - Burner Controls HW 70 80
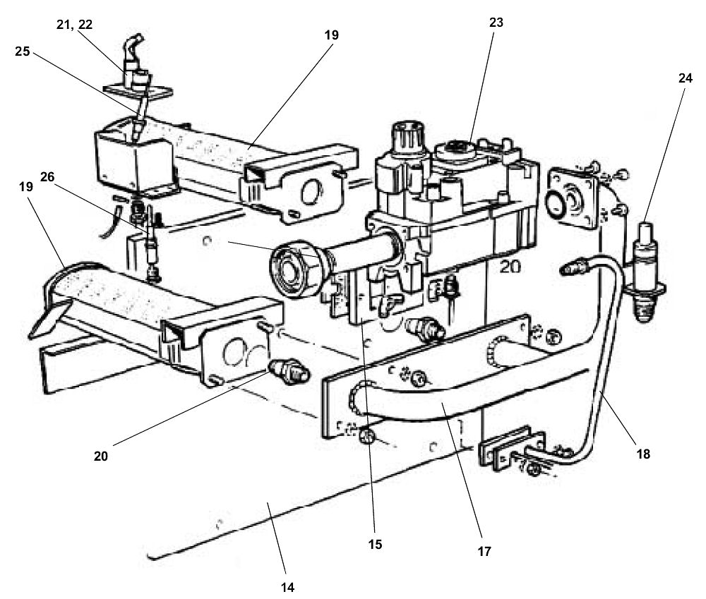
G13/F - Burner Controls HW100 125 Feb 1993
G13/F - Burner Controls HW100 125 Feb 1993
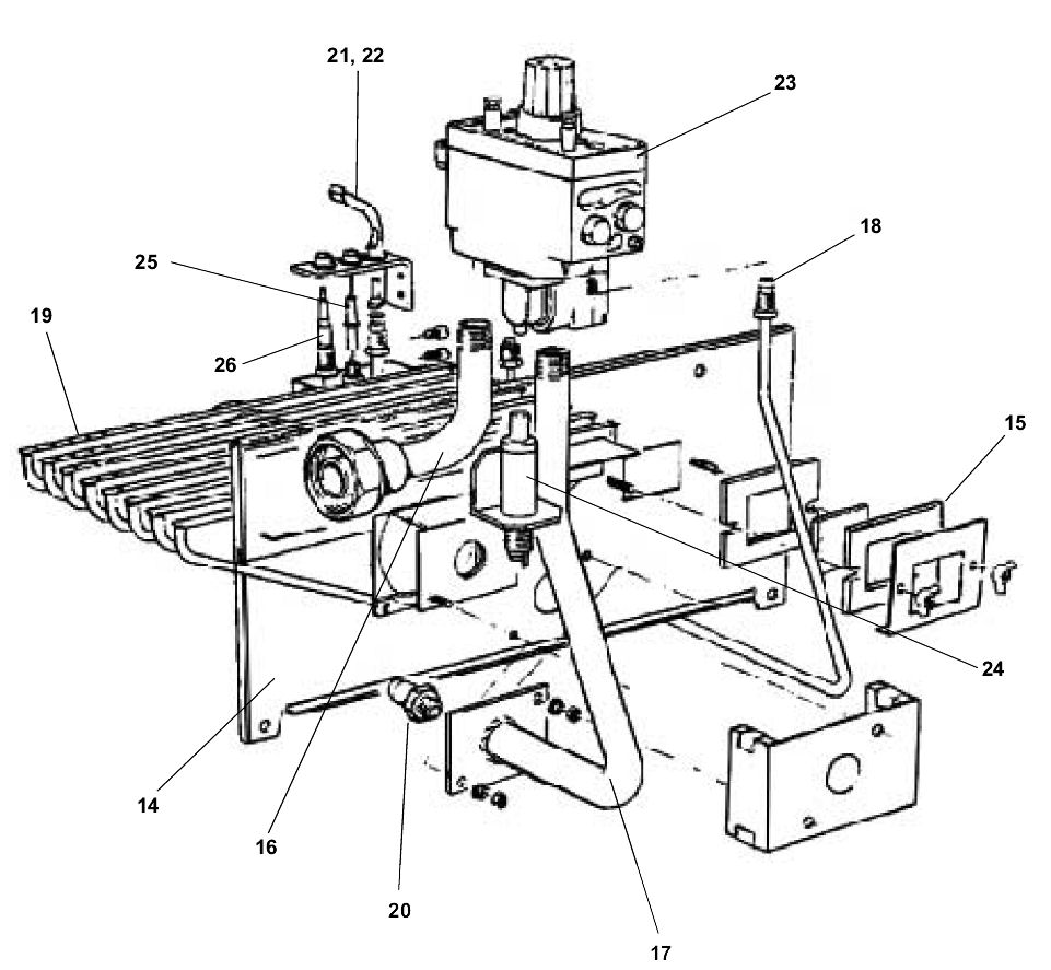
G13/G - Burner Controls HW100 125
G13/G - Burner Controls HW100 125
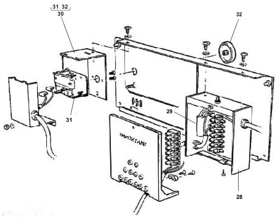
G13/H - Controls
G13/H - Controls
G13/I - Short List Furigas
G13/I - Short List Furigas
G13/J - Short List HW Aeromatic
G13/J - Short List HW Aeromatic
G13/K - Short List SIT
G13/K - Short List SIT
KeyUINNameModel
Loading...