Click on this button to call us
Click on this button to search

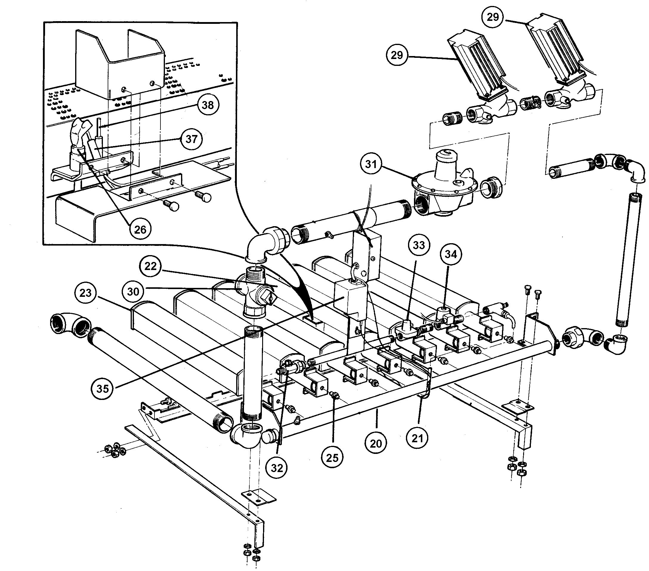
CONCORD CX.I 550 BLR.NG ASSEMB

Make

CONCORD

Model

CONCORD CXI

Type

550

UIN: 131339

F27/A - Casing
F27/A - Casing
F27/B - Boiler Expanded
F27/B - Boiler Expanded
F27/C - Burmer & Controls
F27/C - Burmer & Controls
F27/D - Controls
F27/D - Controls
KeyUINNameModel
Loading...