Click on this button to call us
Click on this button to search

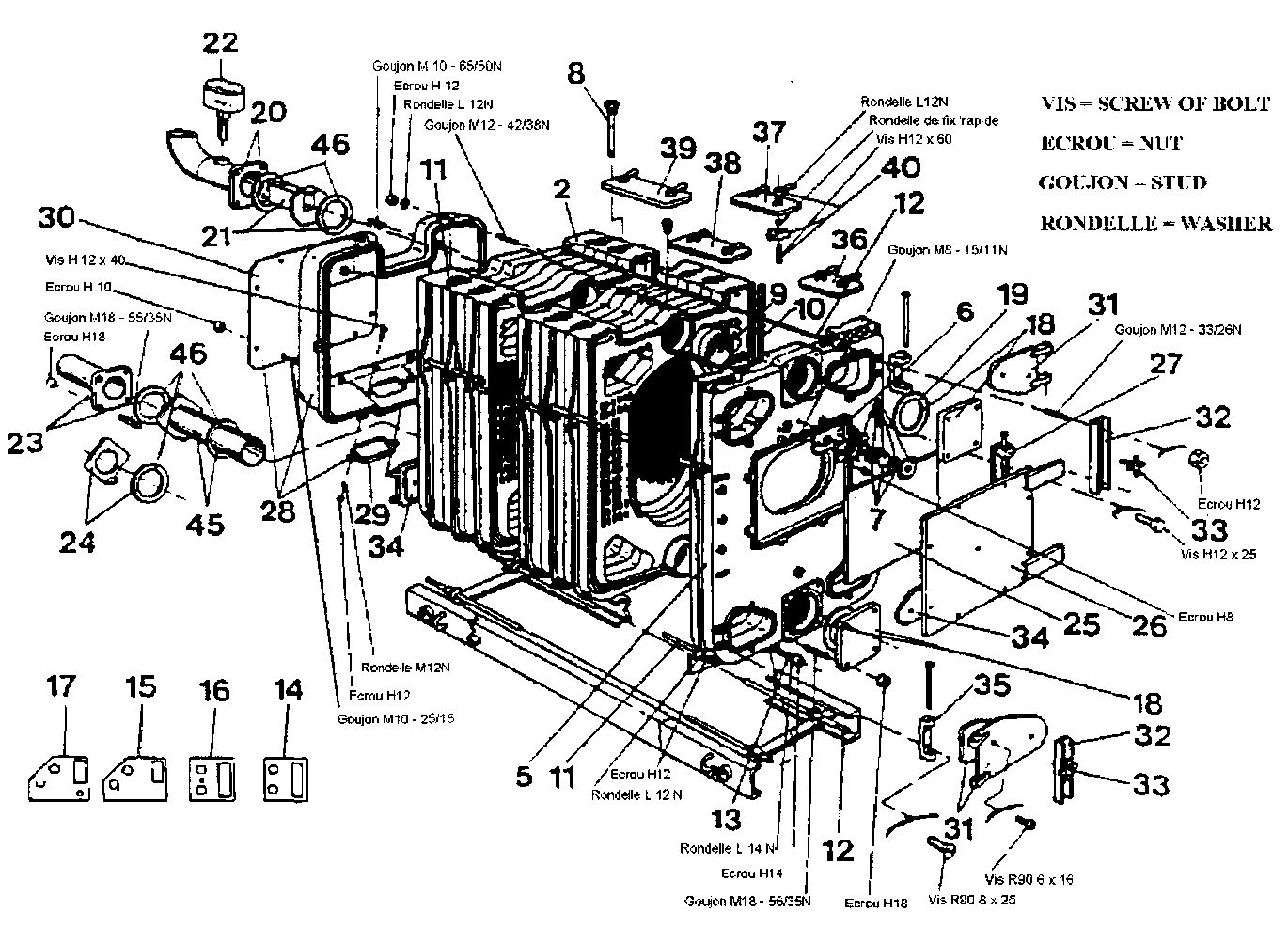
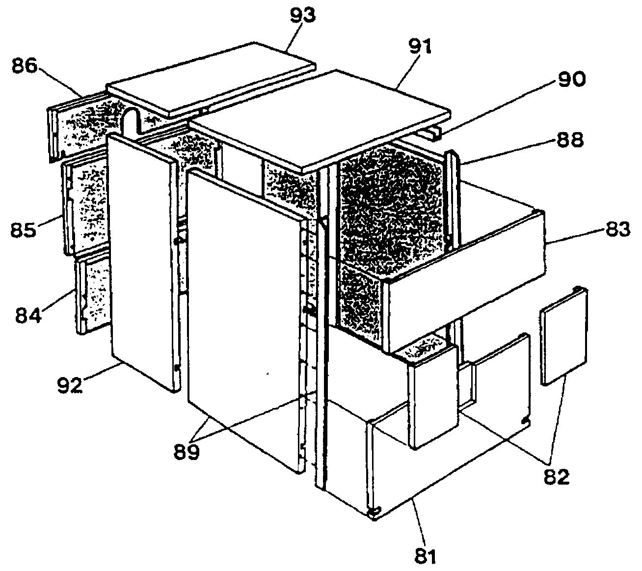
VISCOUNT E.S.21 NUWAY GAS UNAS

Make

VISCOUNT

Model

VISCOUNT ES

Type

ES21

UIN: 110797

L12/A - Casing
L12/A - Casing
L12/B - Boiler Expanded
L12/B - Boiler Expanded
L12/C - Controls
L12/C - Controls
KeyUINNameModel
Loading...