Click on this button to call us
Click on this button to search

CONCORD ES 1300

Make

CONCORD

Model

CONCORD ES

Type

1300

UIN: 101658

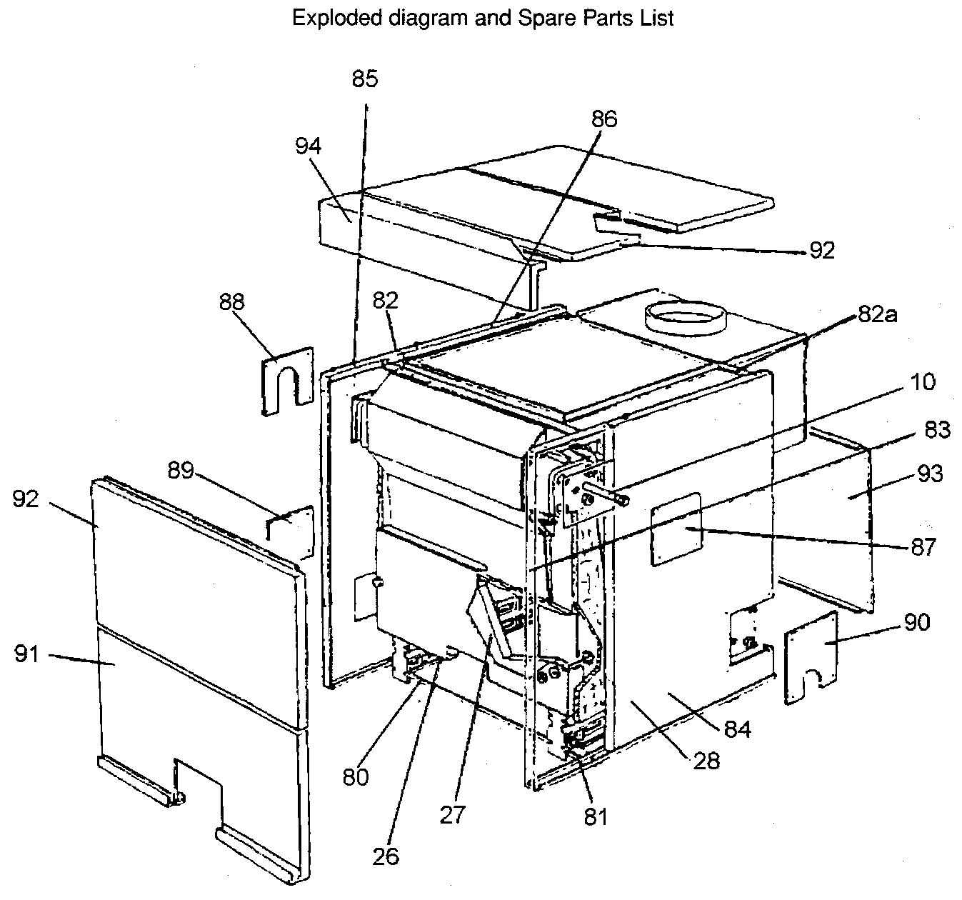
L16/A - Casing
L16/A - Casing
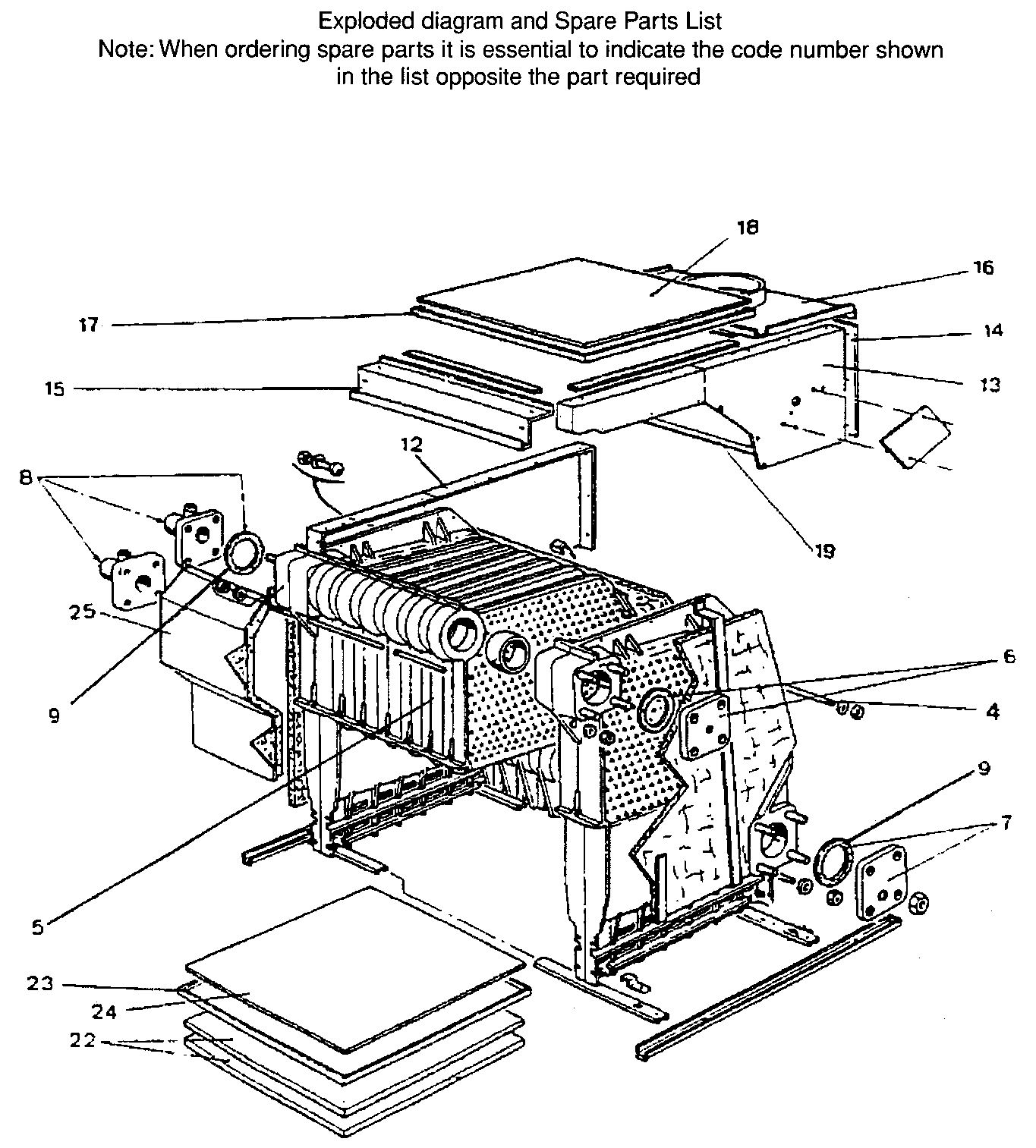
L16/B - Boiler Expanded
L16/B - Boiler Expanded
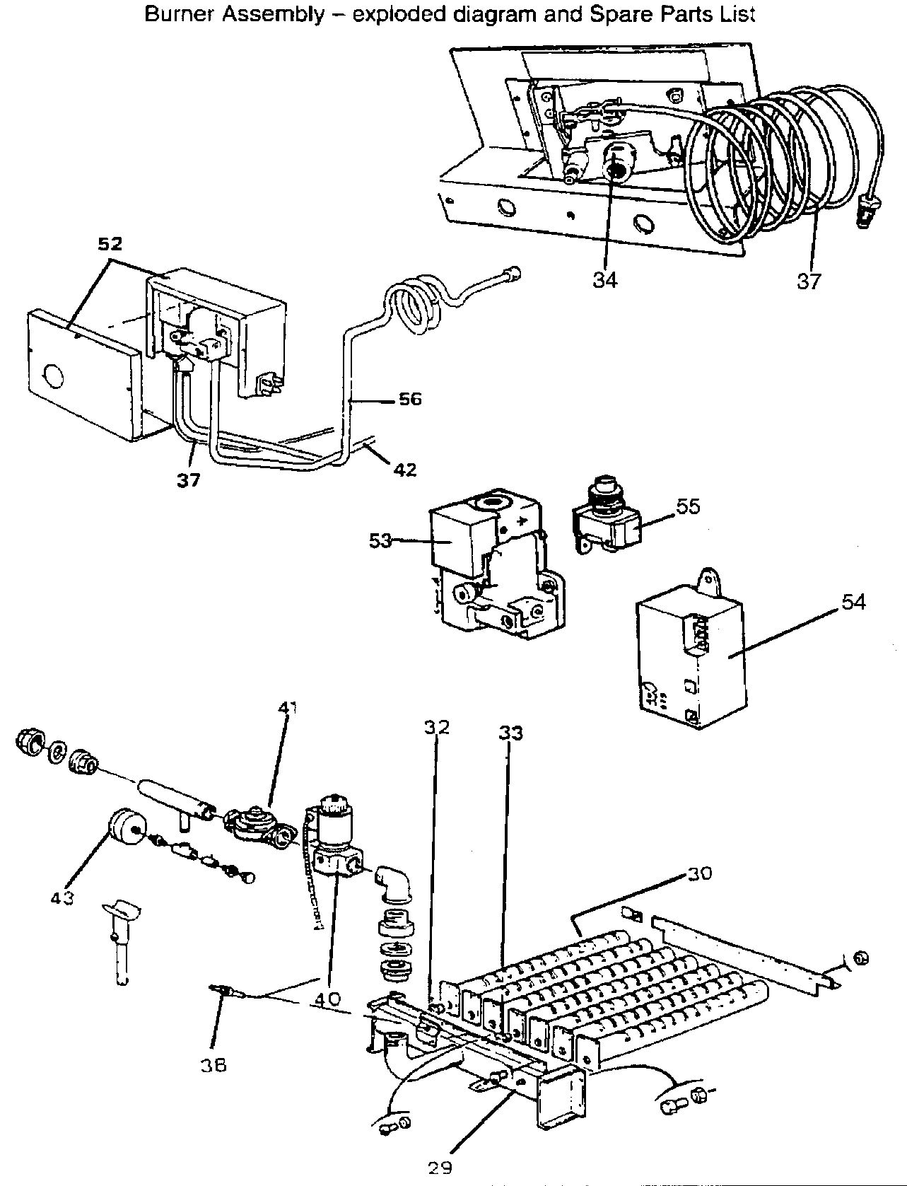
L16/C - Burner & Controls
L16/C - Burner & Controls
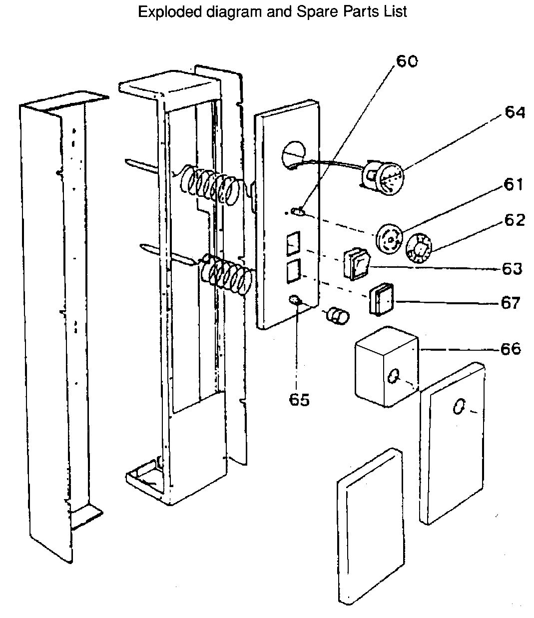
L16/D - Controls
L16/D - Controls
KeyUINNameModel
Loading...